欢迎访问昌林自动化官方网站!
九州娱乐ts111下载
 

KL-L6,KL-L8,KL-L10,KL-L15,节流阀

点击图片查看原图
 
型号: KL-L6,KL-L8,KL-L10,KL-L15
PDF下载: 如需产品详细说明请与销售客服联系
浏览次数: 694
询价
 
公司基本资料信息
详细说明
KL-L6,KL-L8,KL-L10,KL-L15,节流阀

一、特点:

节流阀是气动控制系统中被广泛使用的简单的流量控制阀,该系列节流阀系双向节流元件。通常被用来调节气路中压缩空气的流量。

二、图形符号:

三、型号说明:

 

四、技术参数

型号
KL
公称通径mm 6 8 10 15
S值mm² 5 10 20 40
工作压力范围MPa 1.00MPa
工作温度 5~60ºC

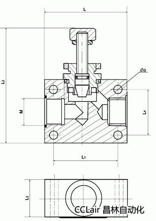
五、外形及安装尺寸

型号 联接螺纹 L L1 L2 L3 L4

Ø

KL-6 M10*1 G1/8"  50 38 72 25  28 4.8
KL-8

M14*1.5

(M12*1.5)

(M12*1.25)

G1/4" 50 38 72 25  28 4.8
KL-15(10)

M22*1.5

(M18*1.5)

G3/8"

G1/2"

65 50 91 30 36 6

更多>本企业其它产品
0相关评论