KS-F32,KS-F50,KS-F65,KS-F80,KS-F100,梭阀
|
KS-L、KS-F
一、特点:
1、梭阀相当于逻辑回路中的“或门”,常用于手动、自动回路的转换。它在矿山机械、石油化工、冶金交通、轻纺、电子等行业都得到广泛应用。
2、梭阀可看成是由两个单向阀组合而成,结构简单,内部只有一个阀芯,来回运动达到换向目的。
3、梭阀的阀芯采用黄铜和橡胶组合的形式,同时满足了耐磨和密封性,提高了梭阀的寿命。
二、图形符号:

三、型号说明:

|
KS-L
KS-F
|
|
四、技术参数
|
型号
|
KS-L
|
KS-F
|
|
公称通径mm
|
3
|
6
|
8
|
10
|
15
|
20
|
25
|
32
|
50
|
65
|
80
|
100
|
|
有效截面积mm²
|
3
|
10
|
20
|
40
|
60
|
110
|
190
|
300
|
650
|
1000
|
|
|
|
泄漏量
|
50Nml/min
|
100Nml/min
|
200Nml/min
|
300Nml/min
|
|
换向时间
|
≤0.03s
|
≤0.04s
|
≤0.05s
|
≤0.06s
|
|
耐久性
|
200万次
|
150万次
|
50万次
|
|
工作频度
|
最低1次/30天
|
|
最低工作压力
|
0.10MPa
|
|
最高工作压力
|
1.00MPa
|
|
环境与介质温度
|
5~60°C
|
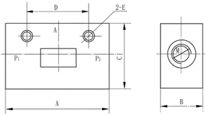
五、外形及安装尺寸
KS-L

KS-F

| 型号 |
KS-L |
KS-F |
| |
3 |
6 |
8 |
10 |
15 |
20 |
25 |
32 |
50 |
65 |
80 |
100 |
125 |
150 |
| M |
M10*1 |
M14*1.5
M12*1.5
|
M18*1.5
M16*1.5
|
M22*1.5
M20*1.5
|
M27*2 |
M33*2 |
|
|
|
|
|
|
|
| L |
38 |
60 |
75 |
110 |
116 |
140 |
155 |
194 |
236 |
269 |
300 |
| B |
18 |
25 |
36 |
55 |
135 |
160 |
180 |
200 |
215 |
245 |
280 |
| C |
26 |
42 |
52 |
76 |
165.5 |
192 |
215 |
245 |
262.5 |
294.5 |
332 |
| D |
20 |
36 |
48 |
72 |
100 |
125 |
145 |
160 |
180 |
210 |
240 |
| E |
3.6 |
4.8 |
7 |
6.6 |
18 |
18 |
18 |
17.5 |
18 |
18 |
23 |
| F |
- |
- |
- |
- |
- |
- |
- |
98 |
112 |
125 |
145 |
155 |
172 |
192 |
| n |
- |
- |
- |
- |
- |
- |
- |
4 |
4 |
4 |
8 |
8 |
8 |
8 |
|