DCB-B600,DCB-B700,DCB-B800,DCB-B900,DCB-B1000,齿轮油泵,价格
DCB-B500~1000低噪音圆形大流量齿轮油泵产品简介:
本油泵外形美观、维修方便、流量大、噪音低,广泛用于冶金、船舶、油站、胶合板机械以及其它工作压力低于2.5Pa的液压系统。
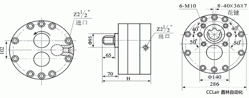
DCB-B500~1000低噪音圆形大流量齿轮油泵外形图:

DCB-B500~1000低噪音圆形大流量齿轮油泵技术参数:
| 型号 | 额定流量 h/min |
额定压力 Pa |
额定转速 min |
容积效率 ηv% |
总效率 ηbdt% |
进油口 | 出油口 | 驱动功率 w |
| DCB-B600 | 600 | 2.5 | 1450 | ≤90 | ≤80 | Z21/2" | Z21/2" | 29 |
| DCB-B700 | 700 | 32 | ||||||
| DCB-B800 | 800 | 37 | ||||||
| DCB-B900 | 900 | 42 | ||||||
| DCB-B1000 | 1000 | 49 |
DCB-B500~1000低噪音圆形大流量齿轮油泵技术规格:
| 型号 | DCB-B600 | DCB-B700 | DCB-B800 | DCB-B900 | DCB-B1000 |
| H | 355 | 375 | 395 | 415 | 435 |
DCB-B500~1000低噪音圆形大流量齿轮油泵备注:
1、DCB-600~1000进出油口有两种形式,一种在侧面,一种在底面,订货时请说明。
2、此图驱动功率是根据2.5Pa计算,客户可根据自己使用的压力自定驱动功率。
3、功率=流量×压力/(612×0.8)


