欢迎访问昌林自动化官方网站!
九州娱乐ts111下载
 

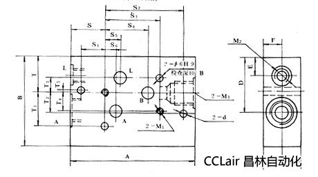
22CQH-D20B-1 ,22CQH-D20B-3 ,22CQH-D20B-8 ,行程调速阀

点击图片查看原图
 
型号: 22CQH-D20B-1 ,22CQH-D20B-3 ,22CQH-D20B-8 ,
PDF下载: 如需产品详细说明请与销售客服联系
浏览次数: 672
询价
 
公司基本资料信息
详细说明
22CQH-D20B-1 ,22CQH-D20B-3 ,22CQH-D20B-8 ,行程调速阀

通径(mm
行程调速阀型    
推荐流量(L/Min
最高使用压力(MPa
配用调速阀
  
流量调整范围(L/Min
最小稳定流量(L/Min
Φ10
22CQH-D10B-1
25
10
Q-D7B-1
0~1
0.07
22CQH-D10B-3
Q-D7B-3
0~3
0.07
22CQH-D10B-8
Q-D7B-8
0~8
0.30
22CQH-D10B-12
Q-D7B-12
0~12
1.00
Φ16
22CQH-D16B-1
63
Q-D7B-1
0~1
0.07
22CQH-D16B-3
Q-D7B-3
0~3
0.07
22CQH-D16B-8
Q-D7B-8
0~8
0.30
22CQH-D16B-12
Q-D7B3-12
0~12
1.00
Φ20
22CQH-D20B-1
100
Q-D7B-1
0~1
0.07
22CQH-D20B-3
Q-D7B-3
0~3
0.07
22CQH-D20B-8
Q-D7B-8
0~8
0.30
22CQH-D20B-12
Q-D7B-12
0~12
1.00
 
22CQH-D10B-1  22CQH-D10B-3  22CQH-D10B-8      行程调速阀


更多>本企业其它产品
0相关评论