
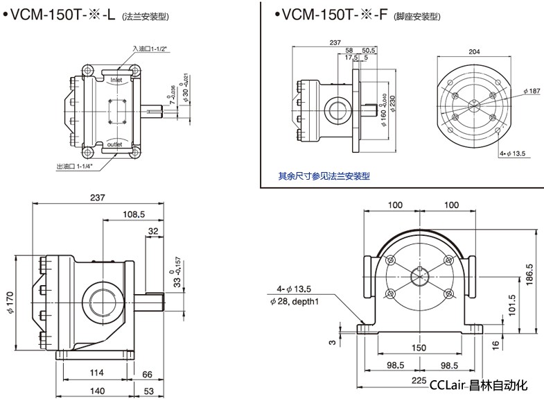
- VCM-50T及150T泵浦,具有消除油液所产生的涡流特性,安静,平稳高效率,极适合高低压系统中作为低压泵浦的使用。
- 压力平衡型结构 轴负荷小,寿命长,噪音小。
- 结构简单,易维护,法兰型可直结马达,安装简便。
-
型式 最高压力
kgf/cm²转速1200rpm , 工作油黏度20cSt 时之特性 容许回转速 重量
(kg)回转速rpm 吐出量(L/min) 轴入力(KW) 3.5
kgf/cm²35
kgf/cm²70
kgf/cm²3.5
kgf/cm²35
kgf/cm²70
kgf/cm²最高 最低 脚座型 法兰型 50T-7 70 1200 7.9 6.9 5.7 0.20 0.82 1.51 2000 800 10.5 9 1500 9.9 8.9 7.7 0.30 1.05 1.87 1800 11.9 10.9 9.7 0.34 1.26 2.28 50T-12 70 1200 13.5 12.5 11.3 0.21 1.12 2.13 2000 600 10.5 9 1500 16.8 15.8 14.6 0.31 1.42 2.70 1800 20.2 19.2 18.0 0.39 1.73 3.23 50T-17 70 1200 19.2 18.2 17.0 0.30 1.48 2.80 1800 600 10.5 9 1500 24.0 23.0 21.8 0.39 1.86 3.50 1800 28.8 27.8 26.6 0.52 2.28 4.23 50T-23 70 1200 27.0 25.7 24.1 0.32 1.94 3.75 1800 600 10.5 9 1500 33.7 32.4 30.8 0.47 2.50 4.73 1800 40.4 39.1 37.5 0.58 3.01 5.71 50T-26 70 1200 30.0 28.5 26.6 0.40 2.33 4.47 1800 600 10.5 9 1500 37.5 36.0 34.1 0.52 2.92 5.60 1800 45.0 43.5 41.6 0.71 3.57 6.73 50T-36 70 1200 42.0 40.4 38.4 0.52 3.18 6.15 1800 600 10.5 9 1500 52.5 50.9 48.9 0.72 3.95 7.60 1800 63.0 61.4 59.4 0.98 4.83 9.18 150T-48 70 1200 47.0 43.5 40.0 0.9 3.9 7.2 1500 600 26 25 1500 56.5 53.0 49.5 1.1 4.7 8.6 1800 70.5 67.0 63.5 1.4 5.8 10.7 150T-61 70 1200 60.0 56.5 50.0 1.1 4.8 8.8 1500 600 26 25 1500 72.0 68.5 65.0 1.3 5.7 10.5 1800 90.0 86.5 83.0 1.7 7.1 13.1 150T-75 70 1200 73.7 70.4 66.0 1.3 5.6 10.3 1500 600 26 25 1500 88.5 84.5 81.0 1.5 6.7 12.4 1800 111.0 107.0 103.5 1.9 8.3 15.5 150T-94 70 1200 92.5 88.0 82.5 1.4 6.8 12.8 1800 600 26 25 1500 111 106.5 101.0 1.7 8.3 15.4 150T-116 70 1800 116.0 110.0 103.0 1.7 8.5 16.1 1800 600 26 25 1200 139.0 133.0 126.0 2.0 10.3 19.3
![]() |
![]() |
![]() |
![]() |
- 保持液压油纯净,防止异物混入系统
污染的液压油容易引起叶片泵浦故障及减少其寿命,为使压油保在NAS10级内,应在吸入口安装一个100UM(150目)的滤油器,滤油器应在最少离油箱底部50mm。 - 准确的轴心同心度
安装泵浦请尽量可能使用联轴器,以避免因弯曲或偏心所产生的任何应力,最大轴向允差0.25mm,容许最大角度误差为0.2度。 - 吸力压力
泵浦吸入压力数值请见附表:
型式 吸入压力 最低吸入压力 最高吸入压力 石油积系液压油 磷酸脂液含水液压液 50T , 150T -20kPa (-150mmHG) -16kPa (-120mmHG) +140kPa (+14kgf/cm²) 1M , 2M , 3M -20kPa (-150mmHG) -16kPa (-120mmHG) +30kPa (+0.3kgf/cm²) 12M , 13M , 23M -20kPa (-150mmHG) - 启动注意事项
在初次工作或长期停止运转重新启动时可能会产生吸油较为困难,为此应预先在输出口端安装排气阀,或稍为松开出口端接头,以便排出空气,并请尽可能在零负载状况下进行点动方式启动。 - 其他注意事项
若是VCM-*M系列泵浦工作转速低於1200rpm时,请於安装时将帮浦吸入口朝上,以便启动时易於吸油。



