手机版
二维码
欢迎访问昌林自动化官方网站!
了解产品
品牌站
搜索
首页
了解产品
资讯动态
品牌站
下载中心
首页
>
了解产品
>
阀门 流体控制
>
通用阀门
>
安全阀
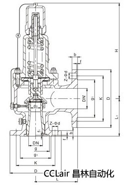
A42Y-25R,A42Y-40C, A42Y-40P, A42Y-40R ,A42Y-64 ,弹簧全启封闭式安全阀
点击图片查看原图
型号:
A42Y-25R,A42Y-40C, A42Y-40P, A42Y-40R ,A42Y-64 ,
PDF下载:
如需产品详细说明请与销售客服联系
浏览次数:
586
公司基本资料信息
联系人
销售员 1075(女士) 销售员
电话
13861877712
地区
江苏-无锡市
地址
无锡市会北路28-135
详细说明
A42Y-25R,A42Y-40C, A42Y-40P, A42Y-40R ,A42Y-64 ,弹簧全启封闭式安全阀
A42Y
弹簧全启封闭式
安全阀
适用于工作温度
≤300
℃
空气、石油气、液体等介质的设备和管路上。
A42Y-P
型及
A42Y-R
型适用于工作温度
≤200
℃
有腐蚀性的介质的设备和管路上,作为超压保护装置。
弹簧全启封闭式
安全阀
连接法兰标准按
JB/T……-94
系列
1
。
≥6.4MPa
按
JB/T……-94
系列
2
。
主要零部件材料
外形尺寸和连接尺寸
更多
>
本企业其它产品
D971X-10,D971X-16,
WCB-30,WCB-50,WCB-75
Q645F-2.5P,Q645F-25P
Q644F-2.5P,Q644F-25P
AHN42F-P18,AHN42F-P2
PZ673H-0.6,PZ673H-1.
FDT10H-16C,FDT10H-16
J941H-16C,J941H-25C,
0
条
相关评论