H44H-1.6,H44H-2.5,H44H-4.0,H44H-6.4,H44H-10.0,旋启式止回阀
概述
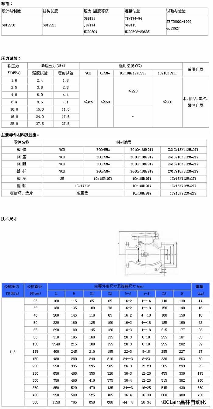
止回阀的功能是用来防止管路中的介质倒流。止回阀属于自动阀类,启闭件靠流动介质的力量自行开启 或关闭。止回阀只用于介质单向流动的管路上,阻止介质回流,以防发生事故。
适用介质为:水、油品、蒸汽、酸性介质等。
概述
止回阀的功能是用来防止管路中的介质倒流。止回阀属于自动阀类,启闭件靠流动介质的力量自行开启 或关闭。止回阀只用于介质单向流动的管路上,阻止介质回流,以防发生事故。
适用介质为:水、油品、蒸汽、酸性介质等。



