手机版
二维码
欢迎访问昌林自动化官方网站!
了解产品
品牌站
搜索
首页
了解产品
资讯动态
品牌站
下载中心
首页
>
了解产品
>
液压元件 液压阀
>
流量控制阀
>
止回阀
H44H-6.4R,H44H-10.0R,H44H-16.0R,H44H-25.0R,H44H-250R,旋启式止回阀
点击图片查看原图
型号:
H44H-6.4R,H44H-10.0R,H44H-16.0R,H44H-25.0R,H44H-250R,
PDF下载:
如需产品详细说明请与销售客服联系
浏览次数:
390
公司基本资料信息
联系人
销售员 1075(女士) 销售员
电话
13861877712
地区
江苏-无锡市
地址
无锡市会北路28-135
详细说明
H44H-6.4R,H44H-10.0R,H44H-16.0R,H44H-25.0R,H44H-250R,旋启式止回阀
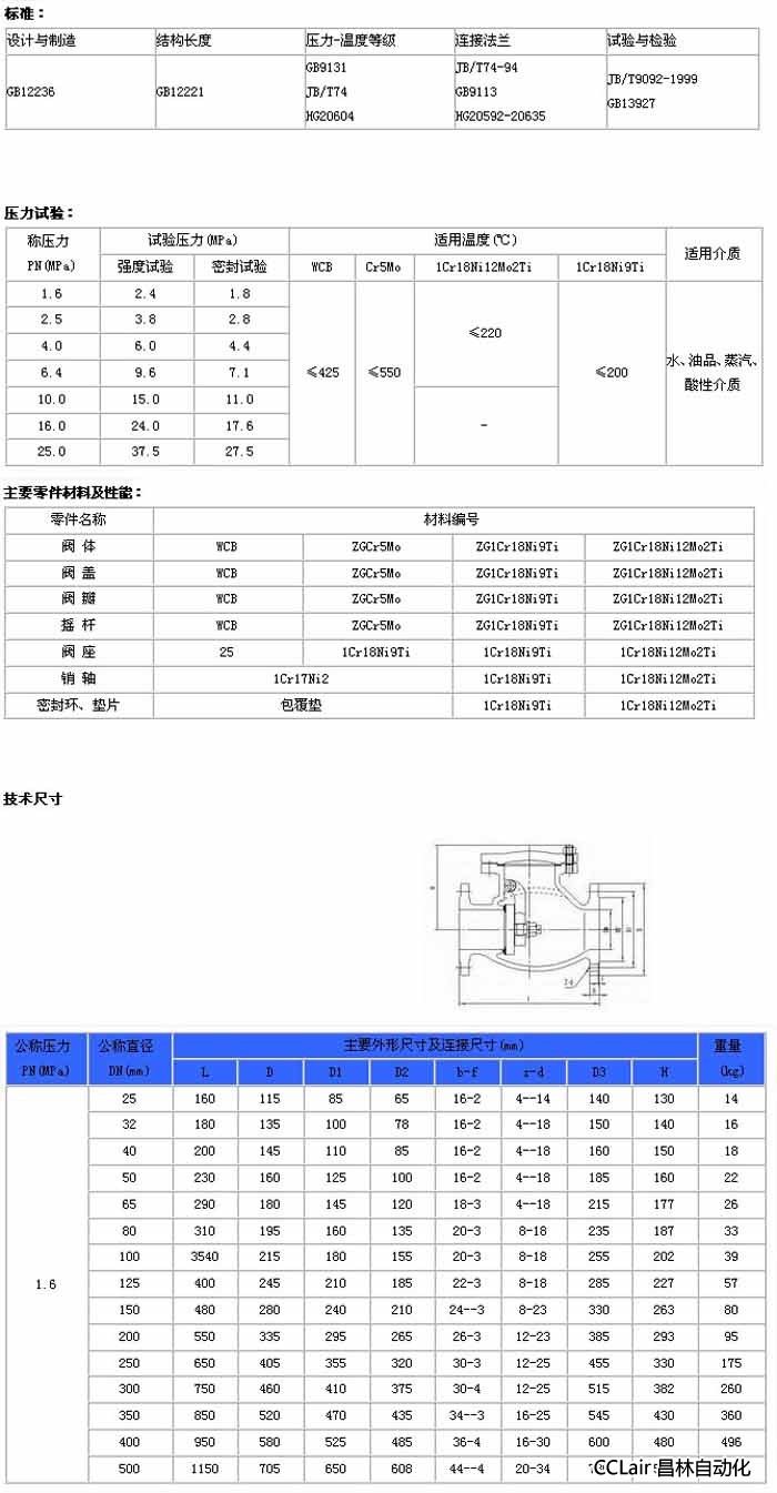
概述
止回阀
的功能是用来防止管路中的介质倒流。
止回阀
属于自动阀类,启闭件靠流动介质的力量自行开启
或关闭。
止回阀
只用于介质单向流动的管路上,阻止介质回流,以防发生事故。
适用介质为:水、油品、蒸汽、酸性介质等。
更多
>
本企业其它产品
D971X-10,D971X-16,
WCB-30,WCB-50,WCB-75
Q645F-2.5P,Q645F-25P
Q644F-2.5P,Q644F-25P
AHN42F-P18,AHN42F-P2
PZ673H-0.6,PZ673H-1.
FDT10H-16C,FDT10H-16
J941H-16C,J941H-25C,
0
条
相关评论