一、用途及特点:
本厂生产的ZS1型系列高压多路换向阀,用40Cr钢锻件做阀体,机加工流道,精密加工制造.主要用于工作压力较高(20-31.5Mpa)的液压系统,如静力全液压压桩机、起重运输机械、矿山工程机械及其它行走机械的液压系统,改变工作液流的方向,实现多个执行机构(油马达或油缸)的集中控制。
本阀具有公共进油口和回油口,其油路形式为并联油路和串联油路二种。并联油,即各换向阀的进油路和回油路并联连接。串联油路,即第一片阀的回油口接第二片阀的进油口,第三片阀的进油口接第二片阀的回油口,依次类推。阀的片数组合可根据用户的需要,一般可组合成2-12片多路换向阀。滑阀机能:A、并联油路:有O、H、Y、N、J、P等机能;B、串联油路:只有M机能。复位方式有:弹簧复位和钢球复位二种。
二、型号说明:

三、多路阀组合形式举例:

四、注意事项:
订货时每片滑阀的机能均应在型号内表示,滑阀机能的顺序,从进油阀块后算起,相邻的滑阀机能相同进,可用数字与机能符号组合表示。如有不同的定位复位方式和滑阀机能时,必须按顺序用字母和数字组合表示。
例:ZS1-L10H-4T-40,表示:4片阀都是弹簧复位和“O”型机能。
ZS1-L10H-2T3W-2Y30,表示:前二片阀是弹簧复位,“Y”型机能;后三片阀是钢球定位,“O”型机能。
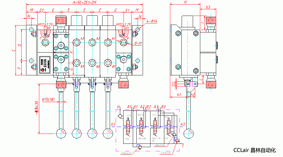
五、额定流量和压力损失:

多路换向阀尺寸31.5MPa
|
ZS2型多路换向阀 31.5MPa 本厂生产的ZS2型系列多路换向阀,用40Cr锻件做阀体,机加工流道,精密加工制造而成。主要用于工作压力较高,系统流量在25~500升/分的液压系统,如起重运输机、汽车吊、矿山工程机械等多个执行机构的集中控制。
本阀具有公共进油口P和回油口T,其油路形式以并联油路为主。它与ZS1型多路换向阀相比,具有换向平稳,操纵执行机构(油马达、油缸等)起闭速度可以随意控制。滑阀机能有:O、H、Y、N、J、P等机能。复位方式有:弹簧复位和钢球复位二种。
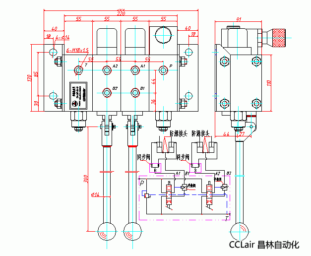
![]() 压桩多路阀外形尺寸
Dg10船盖起闭多路阀31.5MPa
ZS1-L10H-2W-20
![]() 压桩多路阀 31.5MPa
ZS1-L※H-4W-GD10
压桩多路阀是我厂专为液压静力压桩机配套设计,用于控制夹桩油缸和主副压桩油缸。其优点是:油泵同样的流量,压桩速度快。阀体材料用40Cr圆钢锻打而成,机加工流道,精密加工制造。
本阀已申请专利,专利号:ZL:200820085413.4
|








