1、性能与用途
安装于液压系统压力管路中,滤除工作介质中的固体颗粒及胶状物质,有效控制工作介质的污染度。
可根据需要装配压差发讯器及旁通阀。
滤芯过滤材料分别采用复合纤维、木棉定型滤纸、不锈钢烧结毡,不锈钢编织网。
上、下壳体均采用铝锻件,体积小、重量轻、结构精巧、外形美观。
2 技术参数
工作介质:矿物油、乳化液、水-乙二醇、磷酸酯液压液(木棉定型滤纸仅适用于矿物油)
工作压力(max):21MPa 工作温度:-25℃~110℃
发讯器发讯压差:0.5MPa 旁通阀开启压差:0.6MPa
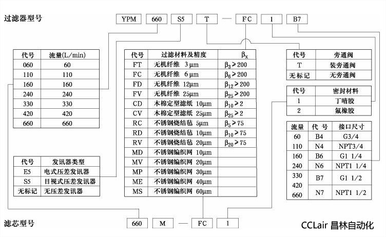
3 系列型谱
4、额定流量下的清洁滤芯压降(单位:1×105Pa 介质参数:30mm2/s 0.86kg/dm3)

5 图示尺寸



5 图示尺寸




