LPLC3750,LPLC31000,LPLC7250,LPLC7500,LPLC7750,LPLC71000,
LPLC19250,LPLC19500,LPLC19750,LPLC191000,LPLC38250,LPLC38500,
LPLC63250,LPLC63500,LPLC63750,LPLC631000,LPLC38750,LPLC381000,
1 性能与用途
滤芯材料全部采用聚丙烯,耐腐蚀性好,过滤效率高,属环保产品。
壳体采用不锈钢材料焊接而成,经抛光处理后,外形美观大方。
2 技术参数
工作介质:水、乳化液、矿物油、食用油、饮料、空气等
工作压力(max):0.6MPa
工作温度:-25℃~90℃
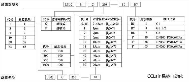
3 系列型谱

3 系列型谱

4、推荐流量 (单位:L/min 介质:水 初始压降:7kPa)

5 图示尺寸



5 图示尺寸




