手机版
二维码
欢迎访问昌林自动化官方网站!
了解产品
品牌站
搜索
首页
了解产品
资讯动态
品牌站
下载中心
首页
>
了解产品
>
气动器材 气动阀
>
控制元件
>
单向/节流阀
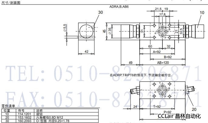
ADRA6,ADRB6,ADRAB6,ADRP6,ADRT6,ADRPT6,叠加式节流阀
点击图片查看原图
型号:
ADRA6,ADRB6,ADRAB6,ADRP6,ADRT6,ADRPT6
PDF下载:
如需产品详细说明请与销售客服联系
浏览次数:
506
公司基本资料信息
联系人
销售员 1180(先生)
电话
13861877712
地区
江苏-无锡市
地址
无锡市会北路28-135
详细说明
ADRA6,ADRB6,ADRAB6,ADRP6,ADRT6,ADRPT6,叠加式节流阀
更多
>
本企业其它产品
BSSPM18-63,BSDPM18-
DWW404,3-通螺纹插装
BM4J30,BM4Z30A,BM4
BE4J40,BE4D41,BE4D
WDEFA04,WDMFA04,滑
WDEFB04,WDMFB04,滑
WDMFA06,WDSFA06,滑
AM4Z100A,AM4Z101A,
0
条
相关评论