一、用途
该系列电磁失电制动器为通电电磁吸合,断电摩擦制动式制动器。主要与Y系列电动机配套生成一种新型的YEJ系列电磁制动三相异步电动机。广泛用于冶金、建筑、化工、食品、机床、包装等机械中,实现快速停车和准确定位,可用在断电时安全(防险)制动等场合。
二、特点
这种制动器具有结构紧凑、安装方便、适用性广、噪音低、工作频次高、动作灵敏、制动可靠等优点,是工业现代化中一种理想的自动化执行元件。
三、工作原理及安装维护
电磁失电制动器主要由励磁部份(磁轭1、线圈2、弹簧3、衔铁4)、制动盘8、花键9套等主要零部件组成。励磁部份通过安装螺钉7安装在机座上,旋合安装螺钉7调整气隙至规定值δ后,反向旋出空心螺栓6,顶紧励磁部份。花健套9通过键与传动轴相连;制动盘8与花健套9通过花键啮合。当线圈2断电时,在弹簧3的作用下,制动盘8与衔铁4、机座端面10(或制动板11)产生摩擦力,通过花键套9传给传动轴使轴制动。当线圈2通电后,在电磁力作用下,衔铁4被吸向磁轭1,使制动盘8松开,传动轴制动解除。(设备检修停电时,可通过轴向扳动手动释放机构5,使制动解除。)
安装前应将摩擦副表面油污、杂物清除干净。

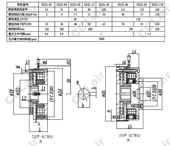
四 、技术参数及安装尺寸表(附图一、二)


五、注意事项
1、摩擦片属于易损件。磨损后,气隙增大,当超过制动器最大允许气隙时,应进行重新调整,否则影响正常工作,甚至损坏制动器和电机。
2、当频繁运转、制动时,应定期检查紧固件有无松动,如有松动,应重新调整旋紧后再使用。
3、当制动器装在电机上,若电机起动困难或有噪音时,应检查制动器,按本《说明书》第三条调整。
六、控制线路
制动器线圈工作电压常规为直流99V和170V两种。本厂有专为制动器配套的ZL、ZL1型整流电源,具有输入输出保护线路,体积小、工作可靠,整体密封,可直接安装于电机的接线盒内,接线方式详见ZL整流电源接线图。


