手机版
二维码
欢迎访问昌林自动化官方网站!
了解产品
品牌站
搜索
首页
了解产品
资讯动态
品牌站
下载中心
首页
>
了解产品
>
液压元件 液压阀
>
其他液压元件
>
阀板/座
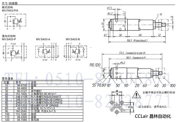
MD.FA03-P/A,MD.SA03-P,MD.SA03-A,MD.SA03-B,直动式减压阀板式和叠加式结构
点击图片查看原图
型号:
MD.FA03-P/A,MD.SA03-P,MD.SA03-A,MD.SA03-B,
PDF下载:
如需产品详细说明请与销售客服联系
浏览次数:
639
公司基本资料信息
联系人
销售员 1180(先生)
电话
13861877712
地区
江苏-无锡市
地址
无锡市会北路28-135
详细说明
MD.FA03-P/A,MD.SA03-P,MD.SA03-A,MD.SA03-B,直动式减压阀板式和叠加式结构
更多
>
本企业其它产品
BSSPM18-63,BSDPM18-
DWW404,3-通螺纹插装
BM4J30,BM4Z30A,BM4
BE4J40,BE4D41,BE4D
WDEFA04,WDMFA04,滑
WDEFB04,WDMFB04,滑
WDMFA06,WDSFA06,滑
AM4Z100A,AM4Z101A,
0
条
相关评论