手机版
二维码
欢迎访问昌林自动化官方网站!
了解产品
品牌站
搜索
首页
了解产品
资讯动态
品牌站
下载中心
首页
>
了解产品
>
制动器 离合器
>
制动器
>
通/失电制动器
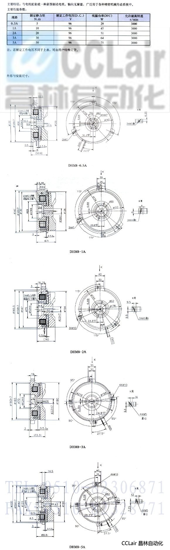
DHM8-0.5A,DHM8-1A,DHM8-2A,DHM8-3A,DHM8-5A,电磁失电制动器
点击图片查看原图
型号:
DHM8-0.5A,DHM8-1A,DHM8-2A,DHM8-3A,DHM8-5A,
PDF下载:
如需产品详细说明请与销售客服联系
浏览次数:
526
公司基本资料信息
联系人
销售员 1199(先生)
电话
13812199898
地区
江苏-无锡市
地址
无锡市会北路28-135
详细说明
DHM8-0.5A,DHM8-1A,DHM8-2A,DHM8-3A,DHM8-5A,电磁失电制动器
更多
>
本企业其它产品
DLZ6-2,DLZ6-4,DLZ6
DLM0-2.5,DLM0-2.5A,D
DLYH4-90,失电牙嵌式
XDZ2-5,XDL2-5,单片
DLT2-63,DLT2-125,DLT
XDZ1-70,XDL1-70,电
XDZ1-20,XDL1-20,电
DLD1-16,DLD1-40,DLD1
0
条
相关评论