DBW6BG2-S,DBW6BG2-H,DBW6AP-S,DBW6AP-H,
DBW6AG-S,DBW6AG-H,DBW6AG2-S,DBW6AG2-H,
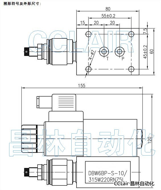
型号说明:
DBW 6 B P–S -10/100 G24 N Z5L
1、6通径电磁溢流阀=DBW6 2、常开=B,常闭=A
3、板式连接=P,英制管式连接=G,公制管式连接=G2
4、带内六角调节螺栓=S,调节手柄=H 5、设计号
6、至10MP=100,至20MPa=200,至31.5MPa=315
7、直流24V=G24,110V交流本整=W110R,220V交流本整=W220R
8、手动按钮=N 9、电磁铁方型插头=Z4,方型带灯插头=Z5L
