描述:
㈠、主要用途:电磁失电离合器为断电结合通电打开的产品,主要使用在纺织机械、金属压延机、搬运机械等机械传动系统中,实现主从动部分的快速结合,分离、起动换向功能。
㈡、离合器在下列条件下能可靠工作:
1、离合器安装地点海拔不超过2000m;
2、周围环境温度-5℃—+40℃;
3、周围介质中无爆炸危险,且无足以腐蚀金属和破坏绝缘的气体及导电尘埃;
4、离合器线圈电压波动不超过+5%和―15%额定电压;
5、在干式条件下工作。
㈢、 安装:
1、安装时必须清洗干净,摩擦面和离合器内部不得有油污和尘埃;
2、离合器主、从动部分必须轴向固定,不允许有轴向窜动;
3、主、从动部分同轴度应不大于0.1mm。
主要性能参数
规格 |
额定动力矩 N.m |
静力矩 N.m |
吸合电压 D.C.V |
保持电压D.C.V |
线圈消耗保持功率(20℃)W |
允许最高转速r/min |
10 |
100 |
110 |
96 |
24 |
53 |
3000 |
16 |
160 |
176 |
96 |
24 |
59 |
2500 |
25 |
250 |
275 |
96 |
24 |
61 |
2200 |
41 |
400 |
440 |
96 |
24 |
88 |
2000 |
63 |
630 |
693 |
96 |
24 |
94 |
1800 |
100 |
1000 |
1100 |
96 |
24 |
130 |
1600 |

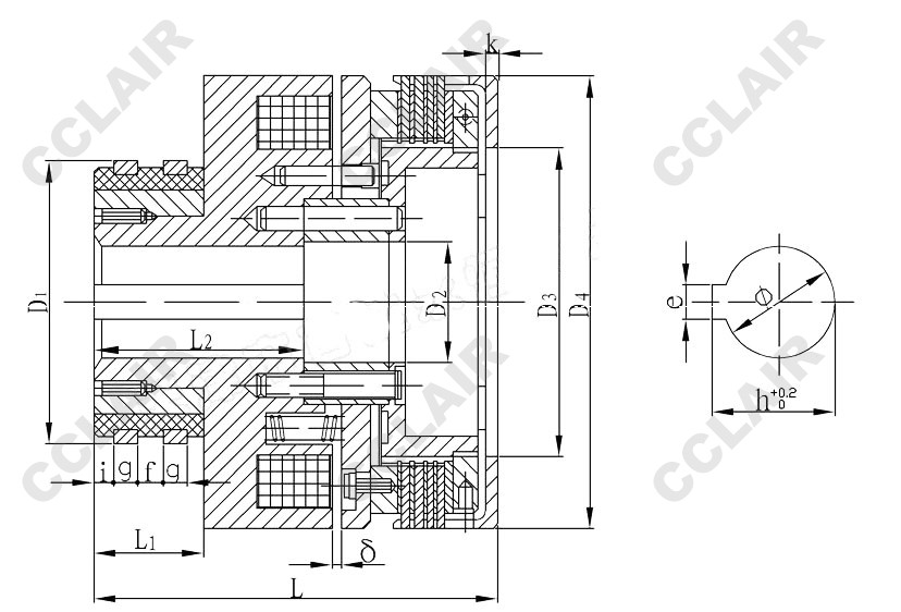
规格 Size |
径向尺寸Radial Dimensions |
轴向尺寸Axial Dimensions |
轴孔尺寸 Dimensions Shaft Hole |
电刷型号 Brush Model |
||||||||||||
D1 |
D2 |
D3 |
D4 |
L |
L1 |
L2 |
f |
g |
i |
k |
δ |
φ |
h |
e |
||
10 |
90 |
52 |
75H7 |
147 |
124.5 |
28 |
61 |
3 |
6 |
2 |
7 |
1.3 |
40H7 |
43.3 |
12JS9 |
DS-006 |
16 |
100 |
60 |
85H7 |
162 |
135 |
32 |
67 |
3 |
8 |
3 |
7 |
1.3 |
45H7 |
48.8 |
14JS9 |
|
25 |
120 |
73 |
95H7 |
182 |
145 |
32 |
75 |
4 |
8 |
2 |
8 |
1.3 |
50H7 |
53.8 |
14JS9 |
|
41 |
120 |
78 |
140H7 |
202 |
155 |
32 |
77 |
4 |
8 |
2 |
9 |
1.5 |
55H7 |
59.3 |
16JS9 |
DS-003 |
63 |
160 |
82 |
125H7 |
235 |
185 |
35 |
85 |
6 |
8 |
3 |
10 |
1.8 |
65H7 |
69.4 |
18JS9 |
DS-006 |
100 |
170 |
80 |
200H9 |
270 |
205 |
45 |
95 |
10 |
10 |
5 |
12 |
2 |
65H8 |
69 |
18H9 |
DS-010 |