描述:
㈠、主要用途:电磁失电离合器为断电结合通电打开的产品,主要使用在纺织机械、金属压延机、搬运机械等机械传动系统中,实现主从动部分的快速结合,分离、起动换向功能。
㈡、离合器在下列条件下能可靠工作:
1、离合器安装地点海拔不超过2000m;
2、周围环境温度-5℃—+40℃;
3、周围介质中无爆炸危险,且无足以腐蚀金属和破坏绝缘的气体及导电尘埃;
4、离合器线圈电压波动不超过+5%和―15%额定电压;
5、在干式条件下工作。
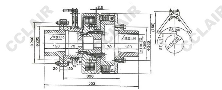
㈢、 安装:
1、安装时必须清洗干净,摩擦面和离合器内部不得有油污和尘埃;
2、离合器主、从动部分必须轴向固定,不允许有轴向窜动;
3、主、从动部分同轴度应不大于0.1mm。
DLM6-5AF主要性能参数
规格 |
额定动力矩 |
静力矩 |
额定电压 |
线圈消耗功率 ( 20 ℃ ) |
允许最高转速 |
5AF |
36 |
40 |
24 |
148 |
3000 |

DLM6-200A 主要性能参数
规格 |
额定动力矩 |
静力矩 |
额定电压 |
线圈消耗功率 ( 20 ℃ ) |
允许最高转速 |
200A |
2000 |
2200 |
24 |
198 |
1000 |
