手机版
二维码
欢迎访问昌林自动化官方网站!
了解产品
品牌站
搜索
首页
了解产品
资讯动态
品牌站
下载中心
首页
>
了解产品
>
液压元件 液压阀
>
方向控制阀
>
多路换向阀
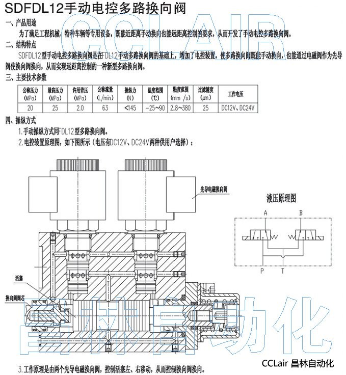
SDFDL12-5H/E24,手动电控多路换向阀
点击图片查看原图
型号:
SDFDL12-5H/E24,手动电控多路换向阀
PDF下载:
如需产品详细说明请与销售客服联系
浏览次数:
411
公司基本资料信息
联系人
销售员 1288(先生)
电话
13812199898
地区
江苏-无锡市
地址
无锡市会北路28-135
详细说明
SDFDL12-5H/E24,手动电控多路换向阀
更多
>
本企业其它产品
860A-9540100,855-954
830-8505000,转阀
830D-8525000,安全阀
T0308-02000D,二位六
2010-YK0364-010,870F
T0311-01000,中央回转
XN8016-3-1,比例先导
885A-6506000,转阀
0
条
相关评论