手机版
二维码
欢迎访问昌林自动化官方网站!
了解产品
品牌站
搜索
首页
了解产品
资讯动态
品牌站
下载中心
首页
>
了解产品
>
油泵 齿轮泵 组合泵
>
液压马达/气动马达
>
齿轮马达
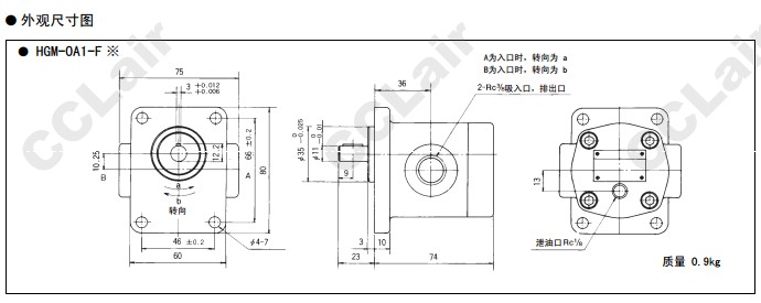
HGM-OA1-F1,HGM-OA1-F2,HGM-OA1-F3,外接式齿轮马达
点击图片查看原图
型号:
HGM-OA1-F1,HGM-OA1-F2,HGM-OA1-F3,
PDF下载:
如需产品详细说明请与销售客服联系
浏览次数:
468
公司基本资料信息
联系人
销售员1316(女士)
电话
13861877712
地区
江苏-无锡市
地址
无锡市会北路28-135
详细说明
HGM-OA1-F1,HGM-OA1-F2,HGM-OA1-F3,外接式齿轮马达
更多
>
本企业其它产品
HVP-VC1,HVP-VC1-G26A
AD-SL236,AD-SL236-30
AD-SL221-101D-DA1,AD
EHD1-20-G3BCA-02,EHD
EHD3-Y150,EHD3-Y150L
EHD3-150,EHD3-150P,E
EHD3-Y60,EHD3-Y60P,E
EHD3-60,EHD3-60P,EHD
0
条
相关评论