手机版
二维码
欢迎访问昌林自动化官方网站!
了解产品
品牌站
搜索
首页
了解产品
资讯动态
品牌站
下载中心
首页
>
了解产品
>
液压元件 液压阀
>
压力控制阀
>
减压阀
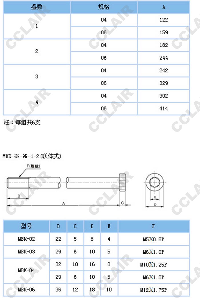
MBK-02-2-1-1,MBK-03-2-2-1,MBK-04-2-1-2,MBK-06-2-2-2,叠加式螺丝组
点击图片查看原图
PDF下载:
如需产品详细说明请与销售客服联系
浏览次数:
566
公司基本资料信息
联系人
销售员 1043(女士)
电话
13861877712
地区
江苏-无锡市
地址
无锡市会北路28-135
详细说明
MBK-02-2-1-1,MBK-03-2-2-1,MBK-04-2-1-2,MBK-06-2-2-2,叠加式螺丝组
MBK-02-2-2-1,MBK-02-2-1-2,MBK-02-2-2-2,MBK-03-2-1-1,MBK-03-2-1-2,MBK-03-2-2-2,
MBK-04-2-1-1,MBK-04-2-2-1,MBK-04-2-2-2,MBK-06-2-1-1,MBK-06-2-2-1,MBK-06-2-1-2,
更多
>
本企业其它产品
HVPVC-F30-A2-02,HVPV
VPVC-F30-A1-02,VPVC-
Northman台湾北部精机
Northman台湾北部精机
Northman台湾北部精机
Northman台湾北部精机
Northman北部精机,电
Northman台湾北部精机
0
条
相关评论