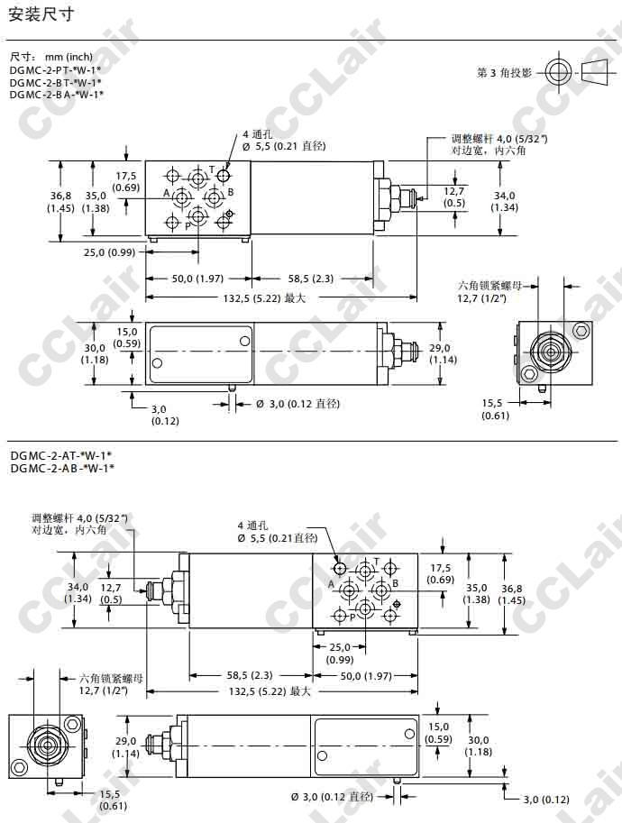
DGMC-2,DGMC-2-PT-BW-10,DGMC-2-PT-CW-10,直动式溢流阀




DGMC-2-PT-FW-10,DGMC-2-PT-GW-10,DGMC-2-BT-BW-10,DGMC-2-BT-CW-10,威格士-Vickers
DGMC-2-BT-FW-10,DGMC-2-BT-GW-10,DGMC-2-BA-BW-10,DGMC-2-BA-CW-10,DGMC-2-BA-FW-10,
DGMC-2-BA-GW-10,DGMC-2-AT-BW-10,DGMC-2-AT-CW-10,DGMC-2-AT-FW-10,DGMC-2-AT-GW-10,
DGMC-2-AB-BW-10,DGMC-2-AB-CW-10,DGMC-2-AB-FW-10,DGMC-2-AB-GW-10,


