手机版
二维码
欢迎访问昌林自动化官方网站!
了解产品
品牌站
搜索
首页
了解产品
资讯动态
品牌站
下载中心
首页
>
了解产品
>
液压元件 液压阀
>
压力控制阀
>
溢流阀
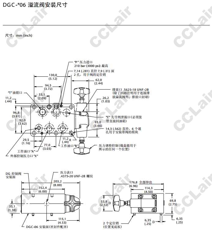
DGC-H-06-B-V-60,DGC-H-06-C-V-60,DGC-H-06-F-V-60,叠加溢流阀,威格士-Vickers
点击图片查看原图
型号:
DGC-H-06-B-V-60,DGC-H-06-C-V-60,DGC-H-06-F-V-60,叠加溢流阀,威格士-Vickers
PDF下载:
如需产品详细说明请与销售客服联系
浏览次数:
324
公司基本资料信息
联系人
销售员1105(女士)
电话
13861877712
地区
江苏-无锡市
地址
无锡市会北路28-135
详细说明
DGC-H-06-B-V-60,DGC-H-06-C-V-60,DGC-H-06-F-V-60,叠加溢流阀,威格士-Vickers
更多
>
本企业其它产品
CG2V-6,CG2V-8,CG5V-6
DGX-06,DGX-H06,DGX-0
26001,26002,26003,26
26008,26009,26010,26
25500,25501,25502,25
ADU041,ADU049,ADU062
PVM018,PVM020,PVM045
PVH57QIC,PVH63QIC,PV
0
条
相关评论