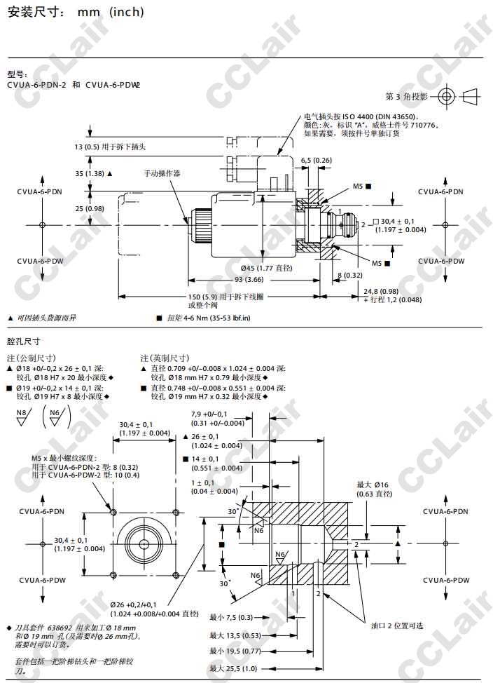
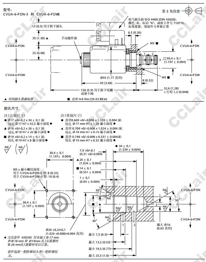
DG3VP-3-102A-VM-U-D-10,DG3VP-3-102A-VM-U-G-10,DG3VP-3-102A-VM-U-H-10,
DG4VP-3-104C-VM-U-B-10,DG4VP-3-104C-VM-U-D-10,威格士-Vickers DG4VP-3-105C-VM-U-B-10,
DG4VP-3-105C-VM-U-H-10,DG3VP-3-102A-VM-U-P-10,DG3VP-3-103A-VM-U-H-10,DG3VP-3-102A-VM-U-B-10,












