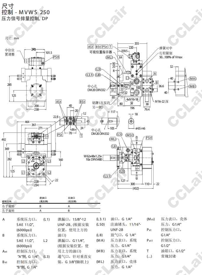
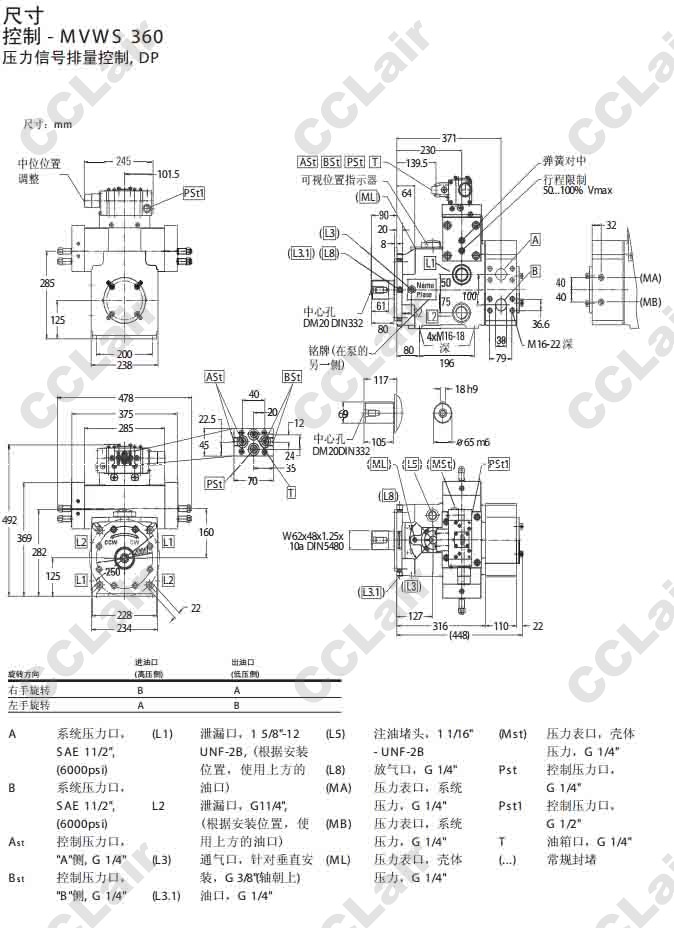
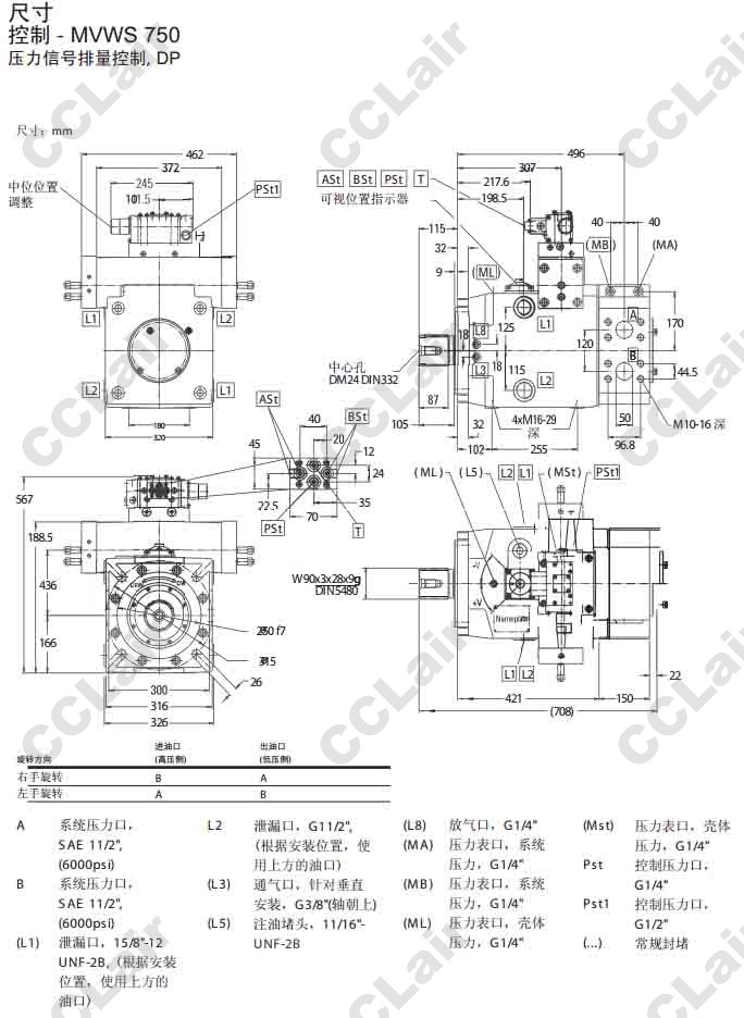
MFWS-250,MFWS-360,MFWS-500,MFWS-750,MVWS-250,MVWS-360,MVWS-500,MVWS-750,定量柱塞马达,威格士-Vickers

















MFWS-250M07B,MFWS-250M08B,MFWS-360M07B,MFWS-360M08B,
MFWS-500M07B,MFWS-500M08B,MFWS-750M07B,MFWS-750M08B,
MVWS-250M07B,MVWS-250M08B,MVWS-360M07B,MVWS-360M08B,
MVWS-500M07B,MVWS-500M08B,MVWS-750M07B,MVWS-750M08B,


