手机版
二维码
欢迎访问昌林自动化官方网站!
了解产品
品牌站
搜索
首页
了解产品
资讯动态
品牌站
下载中心
首页
>
了解产品
>
液压元件 液压阀
>
流量控制阀
>
插装阀
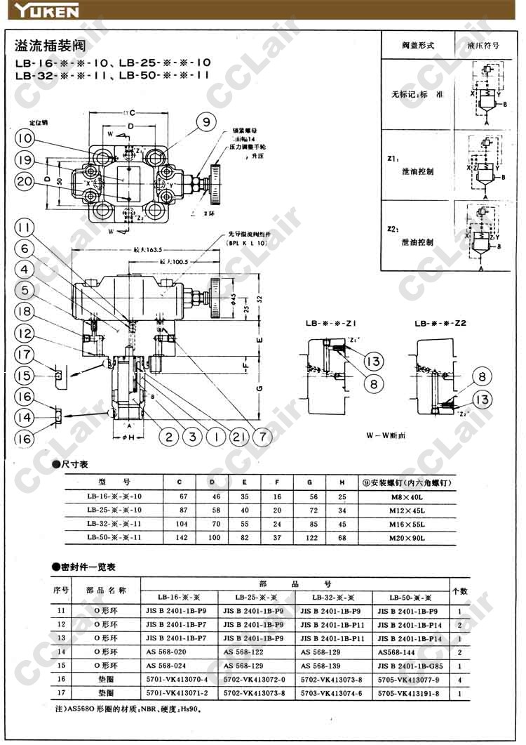
LB-16,LB-25,LB-16-V-Z1-10,LB-25-V-11,LB-16-V-Z2-10,YUKEN,溢流插装阀
点击图片查看原图
型号:
LB-16,LB-25,LB-16-V-Z1-10,LB-25-V-11,LB-16-V-Z2-10,溢流插装阀
PDF下载:
如需产品详细说明请与销售客服联系
浏览次数:
402
公司基本资料信息
联系人
销售员 1050(女士)
电话
13861877712
地区
江苏-无锡市
地址
无锡市会北路28-135
详细说明
LB-16,LB-25,LB-16-V-Z1-10,LB-25-V-11,LB-16-V-Z2-10,溢流插装阀
LB-16-V-10,LB-16-V-10,LB-25-V-Z1-11,YUCIYUKEN榆次油研LB-25-V-Z2-11,LB-25-V-11,
更多
>
本企业其它产品
RCT-03,RCT-06,RCT-10
AMLS-A,AMLS-B,AMLS-C
EFBG-03-125-C-61,EFB
EHDFG-01,EHDFG-03,EH
DSG-01,DSG-03,DSG-01
GCT-02-32,GCTR-02-32
DT-01-22,DG-01-22,远
EDG-01,EDG-01-B-PNT1
0
条
相关评论