手机版
二维码
欢迎访问昌林自动化官方网站!
了解产品
品牌站
搜索
首页
了解产品
资讯动态
品牌站
下载中心
首页
>
了解产品
>
稀油润滑系统设备
>
干油通用部件
>
压力控制阀
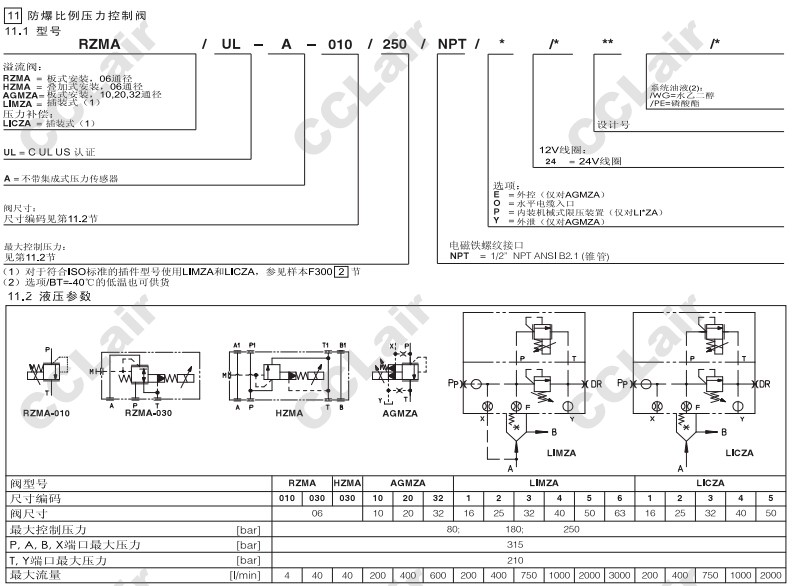
RZMA/UL-A-010,RZMA/UL-A-030,RZMA/UL-A-030/250/NPT/O/24,RZMA/UL-A-010/80/NPT/O/24,阿托斯ATOS防爆比例压力控制阀
点击图片查看原图
型号:
RZMA/UL-A-010,RZMA/UL-A-030,RZMA/UL-A-030/250/NPT/O/24,RZMA/UL-A-010/80/NPT/O/24,阿托斯ATOS防爆比例压力控制阀
PDF下载:
如需产品详细说明请与销售客服联系
浏览次数:
460
公司基本资料信息
联系人
销售员1374(女士)
电话
13861877712
地区
江苏-无锡市
地址
无锡市会北路28-135
详细说明
RZMA/UL-A-010,RZMA/UL-A-030,RZMA/UL-A-030/250/NPT/O/24,RZMA/UL-A-010/80/NPT/O/24,阿托斯ATOS防爆比例压力控制阀
RZMA/UL-A-010/180/NPT/O/24,RZMA/UL-A-010/250/NPT/O/24,阿托斯ATOS RZMA/UL-A-030/80/NPT/O/24,RZMA/UL-A-030/180/NPT/O/24,
更多
>
本企业其它产品
ATOS阿托斯,SAGAM/MA-
ATOS阿托斯,防爆阀SDP
ATOS阿托斯,防爆阀SDH
ATOS阿托斯,比例阀SDP
ATOS阿托斯,比例阀SDH
ATOS阿托斯,比例阀SAG
SRZME-A-010/50-J/6,S
ATOS阿托斯,液控方向
0
条
相关评论