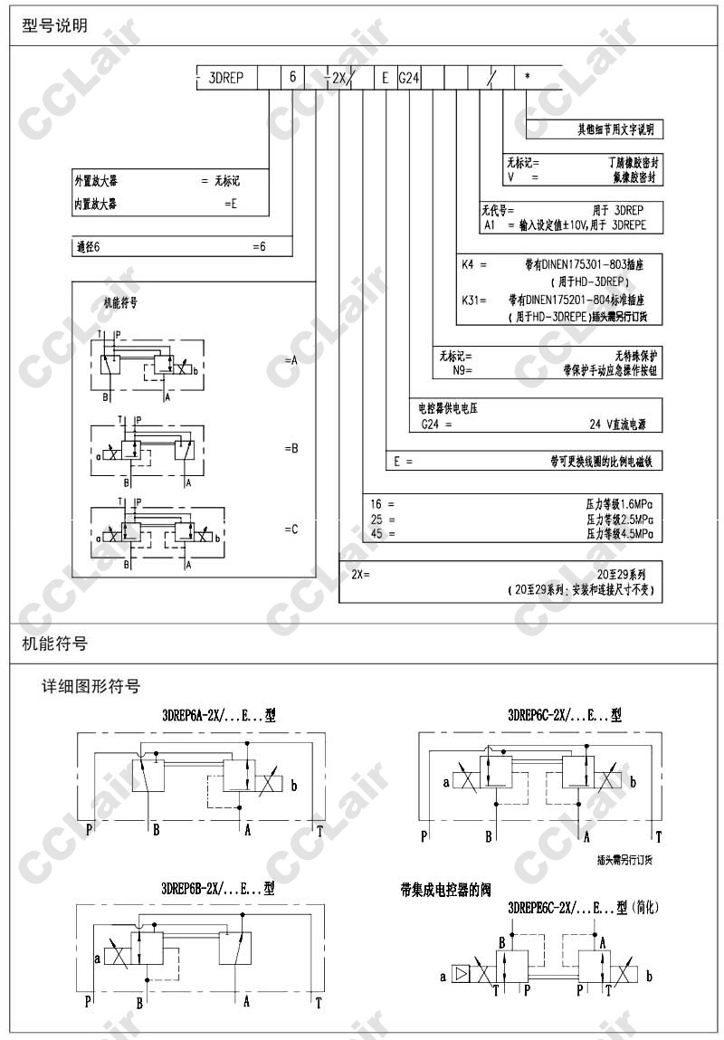
3DREP6,3DREPE6,3DREP6A-2X/16EG24,3DREPE6C-2X/45EG24,huade三通比例减压阀
3DREP6B-2X/16EG24,huade品牌 3DREP6C-2X/16EG24,3DREP6A-2X/25EG24,3DREP6B-2X/25EG24,
3DREP6A-2X/45EG24,3DREP6B-2X/45EG24,3DREP6C-2X/45EG24,华德品牌 3DREPE6A-2X/16EG24,4,
3DREPE6C-2X/16EG24,3DREPE6A-2X/25EG24,CCLair 3DREPE6B-2X/25EG24,3DREPE6C-2X/25EG24,
3DREPE6A-2X/45EG24,3DREPE6B-2X/45EG24,3DREPE6B-2X/16EG24,3DREP6C-2X/25EG24,












