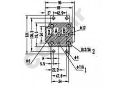
G545/01,G545/02,G546/01,G546/02,G408/01,G408/02,G409/01,G409/02,G410/01,G410/02,G411/01,G411/02,huad |
 点击图片查看原图
|
|
| 型号: |
G545/01,G545/02,G546/01,G546/02,G408/01,G408/02,G409/01,G409/02,G410/01,G410/02,G411/01,G411/02,huad |
| PDF下载: |
如需产品详细说明请与销售客服联系 |
| 浏览次数: |
559 |
|
|
|
|
公司基本资料信息
|