手机版
二维码
欢迎访问昌林自动化官方网站!
了解产品
品牌站
搜索
首页
了解产品
资讯动态
品牌站
下载中心
首页
>
了解产品
>
液压元件 液压阀
>
其他液压元件
>
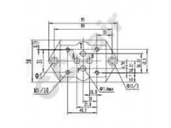
阀板/座
G341/01,G341/02,G342/01,G342/02,G502/01,G502/02,G502/02(M22*1.5),huade底板
点击图片查看原图
型号:
G341/01,G341/02,G342/01,G342/02,G502/01,G502/02,G502/02(M22*1.5),huade底板
PDF下载:
如需产品详细说明请与销售客服联系
浏览次数:
433
公司基本资料信息
联系人
销售员 1033(女士)
电话
13812199898
地区
江苏-无锡市
地址
无锡市会北路28-135
详细说明
G341/01,G341/02,G342/01,G342/02,G502/01,G502/02,G502/02(M22*1.5),huade底板
G341/01(G1/4''),G341/02(M14*1.5),huade品牌 G342/01(G3/8''),G342/02(M18*1.5),G502/01(G1/2''),
更多
>
本企业其它产品
3WMU6,3WMU10,3WMR6,3
Z2S6,Z2S10,Z2S16,Z2S
HED80,HED8OP,HED8OA,
HED40,HED4OP15,HED4O
ZDR6DA,ZDR6DP,ZDR6DA
ZDB10,Z2DB10,ZDB10VA
A2F10,A2F12,A2F23,A2
A2F107,A2F125,A2F160
0
条
相关评论