手机版
二维码
欢迎访问昌林自动化官方网站!
了解产品
品牌站
搜索
首页
了解产品
资讯动态
品牌站
下载中心
首页
>
了解产品
>
液压元件 液压阀
>
压力控制阀
>
顺序阀
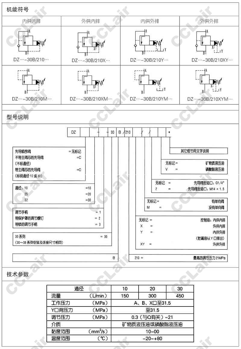
DZ10,DZ20,DZ30,DZC10,DZC20,DZC30,DZ20-3-30,DZ10-1-30,DZC30-2-30,huade先导式顺序阀
点击图片查看原图
型号:
DZ10,DZ20,DZ30,DZC10,DZC20,DZC30,DZ20-3-30,DZ10-1-30,DZC30-2-30,huade先导式顺序阀
PDF下载:
如需产品详细说明请与销售客服联系
浏览次数:
477
公司基本资料信息
联系人
销售员 1033(女士)
电话
13812199898
地区
江苏-无锡市
地址
无锡市会北路28-135
详细说明
DZ10,DZ20,DZ30,DZC10,DZC20,DZC30,DZ20-3-30,DZ10-1-30,DZC30-2-30,huade先导式顺序阀
DZ10-2-30,DZ10-3-30,华德品牌 DZ20-1-30,DZ20-2-30,DZ30-1-30,DZ30-2-30,DZ30-3-30,
DZC10-1-30,DZC10-2-30,DZC10-3-30,CCLair DZC30-1-30,DZC30-3-30,
更多
>
本企业其它产品
3WMU6,3WMU10,3WMR6,3
Z2S6,Z2S10,Z2S16,Z2S
HED80,HED8OP,HED8OA,
HED40,HED4OP15,HED4O
ZDR6DA,ZDR6DP,ZDR6DA
ZDB10,Z2DB10,ZDB10VA
A2F10,A2F12,A2F23,A2
A2F107,A2F125,A2F160
0
条
相关评论