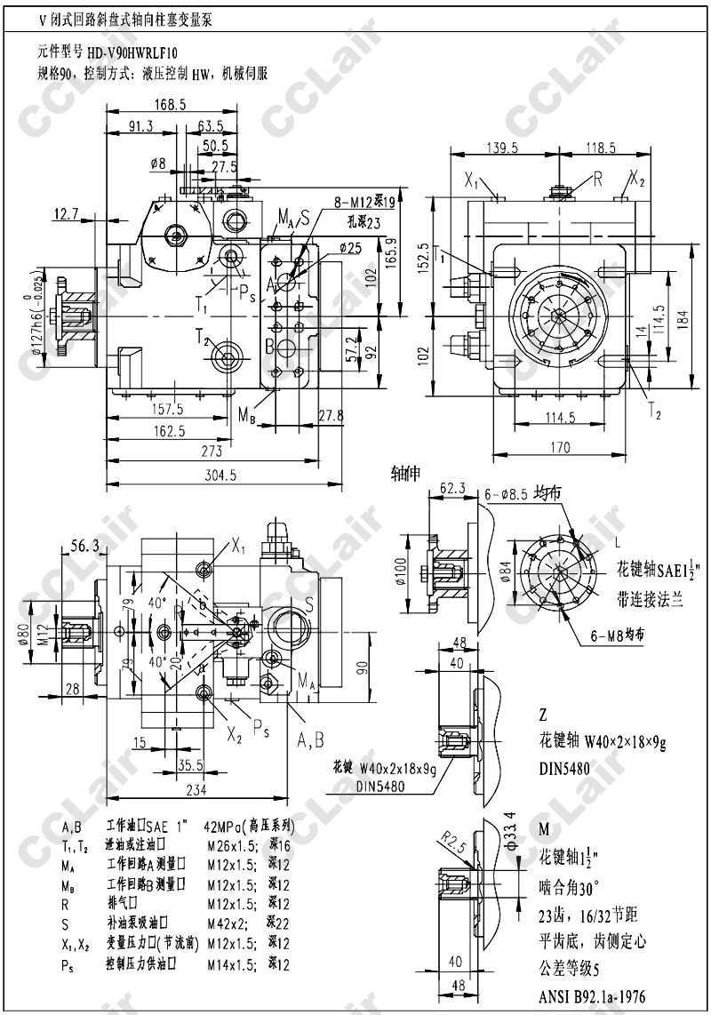
V71HW,V71EP1,V71EP2,V90HW,V90EP1,V90EP2,V90EP2RMF10,V71HWRZF10,V90EP2RZF10,huade斜盘式轴向柱塞变量泵
V71HWRLF10,V71EP1RLF10,V71EP2RLF10,CCLair V71EP1RZF10,V71EP2RZF10,V71HWRMF10,V71EP1RMF10,
V71EP2RMF10,V90HWRLF10,V90EP1RLF10,V90EP2RLF10,V90HWRZF10,华德品牌 V90EP1RZF10,V90HWRMF10,V90EP1RMF10,














