一、主要用途:
干式多片电磁离合器、制动器,为磁通不过片式,动作灵敏可靠,摩擦片磨损后易调整,空载力矩小。主要用于搬运、轧钢,半自动车床,数控机床,纺织等机械传动系统中,实现离合、换向、变速、制动、定位等功能。
二、干式多片电磁离合(制动)器在下列条件下能可靠工作
1.离合器安装地点海拔不超过2000m;
2.周围环境温度―5℃~+40℃;
3.周围介质中无爆炸危险、且无足以腐蚀金属和破坏绝缘的气体及导电尘埃
4.离合器线圈电压波动不超过+5%和-15%的额定电压;
5.摩擦片应清洁无油污。
三、安装
1.安装前检查摩擦片不应有油污及杂物。
2.安装前应轴向固定,;如分轴安装应保持同轴度为9级。
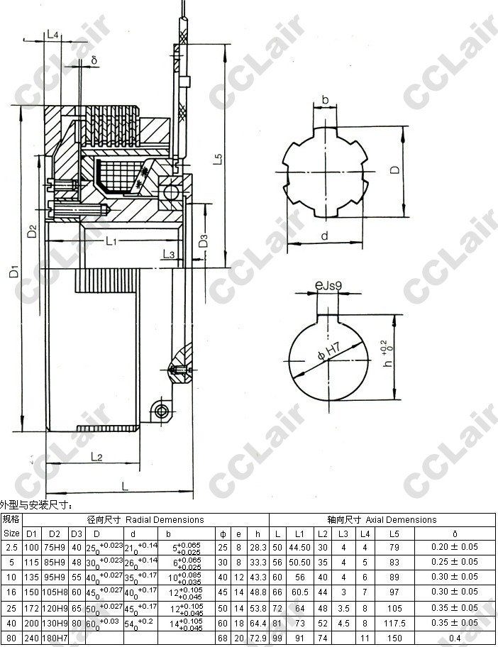
3.摩擦片磨损后,应调整气隙&。
方法是:松开调整母上的螺钉,转动调整母,在通电的状态下,使&达到表中规定值,然后再拧紧螺钉。
主要性能参数:
|
规格 size |
额定动力矩Rated DgnamicTorque N.M |
空载力矩Drag torque |
接通时间Engagement Time ( ≤ )S |
断开时间Disengagement |
额定电压Rated Voltage |
线圈消耗功率( 20 ℃ )Coil Consumption power ( 20 ℃ ) W |
允许最高转速Allowed Max |
重量Weight |
|
2.5 |
25 |
0.10 |
0.10 |
0.03 |
24 |
16.5 |
3500 |
2 |
|
5 |
50 |
0.20 |
0.14 |
0.04 |
24 |
20.5 |
3000 |
3 |
|
10 |
100 |
0.30 |
0.16 |
0.06 |
24 |
28.8 |
3000 |
4.5 |
|
16 |
160 |
0.8 |
0.20 |
0.10 |
24 |
48 |
2500 |
5.9 |
|
25 |
250 |
1.2 |
0.27 |
0.15 |
24 |
53 |
2200 |
8.95 |
|
40 |
400 |
2.0 |
0.35 |
0.20 |
24 |
62 |
2000 |
13.45 |
|
80 |
800 |
4.0 |
24 |
79 |




