手机版
二维码
欢迎访问昌林自动化官方网站!
了解产品
品牌站
搜索
首页
了解产品
资讯动态
品牌站
下载中心
首页
>
了解产品
>
液压元件 液压阀
>
其他液压元件
>
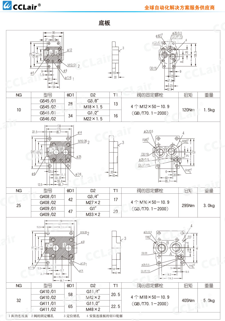
阀板/座
G545/01,G545/02,G546/01,G546/02,G408/01,G408/02,G409/01,G409/02,G410/01,G410/02,G411/01,G411/02,连接板
点击图片查看原图
型号:
G545/01,G545/02,G546/01,G546/02,G408/01,G408/02,G409/01,G409/02,G410/01,G410/02,G411/01,G411/02,
PDF下载:
产品详细说明请点击下载
浏览次数:
804
公司基本资料信息
联系人
销售员(女士)
电话
13861877712
地区
江苏-无锡市
地址
无锡市会北路28-135
详细说明
G545/01,G545/02,G546/01,G546/02,G408/01,G408/02,G409/01,G409/02,G410/01,G410/02,G411/01,G411/02,连接板
更多
>
本企业其它产品
4WEMM6D61B/CG24N9Z5L
ZDB10VA-1-40/,ZDB10V
DR10-4-50/.DR10G.DR2
DZ10-1-50/,DZ10-2-50
HED30A30/100,HED30A3
4WRA6,4WRA10,4WRA6WB
M-SR8KE,M-SR10KE,M-S
DBEMC30-30/315XY,DBE
0
条
相关评论