手机版
二维码
欢迎访问昌林自动化官方网站!
了解产品
品牌站
搜索
首页
了解产品
资讯动态
品牌站
下载中心
首页
>
了解产品
>
开关电气 传感器
>
其他传感器
>
联轴器
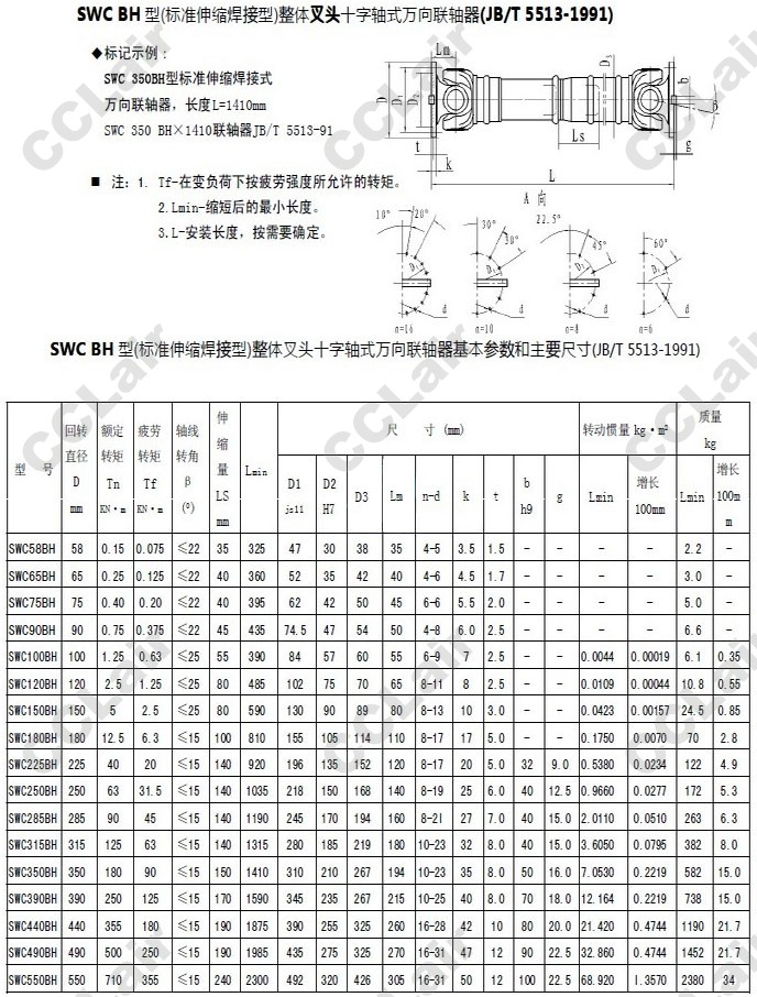
SWC58BH,SWC65BH,SWC75BH,SWC90BH,SWC100BH,SWC120BH,SWC285BH,SWC390BH,SWC440BH,万向联轴器
点击图片查看原图
型号:
SWC58BH,SWC65BH,SWC75BH,SWC90BH,SWC100BH,SWC120BH,SWC285BH,SWC390BH,SWC440BH,万向联轴器
PDF下载:
如需产品详细说明请与销售客服联系
浏览次数:
527
公司基本资料信息
联系人
销售员1426(女士)
电话
13812199898
地区
江苏-无锡市
地址
无锡市会北路28-135
详细说明
SWC58BH,SWC65BH,SWC75BH,SWC90BH,SWC100BH,SWC120BH,SWC285BH,SWC390BH,SWC440BH,万向联轴器
SWC315BH,SWC350BH,SWC490BH,SWC550BH,SWC150BH,SWC180BH,SWC225BH,SWC250BH,
更多
>
本企业其它产品
ZDWZ1-0.5,ZDWZ1-1,ZD
LD04,LD05,LD06,LD07,
CKS70,CKS75,CKS95,CK
DSN330,DSN530,DSN710
X-133399,X-13250C,X-
RC02,RC040708,RC0610
CKA50,CKA52,CKA55,CK
CKA105,CKA110,CKA125
0
条
相关评论