QGJ43F-25,QGJ43F-25P,QGY43F-25,QGY43F-25P,QGJ43F-25,QGY43F-25,槽车紧急切断阀

|
产品[槽车紧急切断阀]的详细资料
|
|
产品型号:
|
QGJ43F、QGY43F |
|
产品名称:
|
槽车紧急切断阀 |
|
产品特点:
|
液化石油气、液氨紧急切断阀是一种安全保护阀,同槽车及贮罐主要气液相接口所装设的快速闭止阀门,可在现场和一定距离之外借助液压,气压机械实现快速关闭。槽车紧急切断阀,紧急切断阀,切断阀 |
|
 |
槽车紧急切断阀的详细资料: |
 |
槽车紧急切断阀,紧急切断阀,切断阀
当外界发生火灾等原因使环境温度升高至规定范围时,借助易熔件,阀们能快速自动关闭,起安全保护作用。本阀安装于固定式及移动式贮罐及槽车,作为紧急切断和防止事故过流切断用的安全装置。
一、产品型号规格
QGJ43F-25 25P 、 QGY43F-25 25P、DN25~50 A/BQGJ43F-25 、 A/BQGY43F-25、DN25~50
A:液氨 B:丙烯
|
类型
|
代号
|
|
单纯紧急切断阀
|
QD
|
|
紧急切断阀与过流限制阀组合
|
QG
|
|
紧急切断阀过流限制阀和截止阀组合
|
QGJ
|
|
紧急切断阀过流限制阀和球阀组合
|
QGQ
|
|
连接形式
|
代号
|
安装方式
|
代号
|
阀体形式
|
代号
|
阀座密封面材料
|
代号
|
|
法兰
|
4
|
内置
|
1
|
直通
|
1
|
尼龙塑料
|
N
|
|
快速接头
|
5
|
外置
|
2
|
角式
|
2
|
氟塑料
|
F
|
|
|
|
|
|
|
|
合金钢
|
H
|
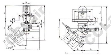
三、主要外形尺寸与连接尺寸
|
DN
|
H
|
L
|
L1
|
L2
|
L3
|
L4
|
L5
|
重量
(kg)
|
|
(mm)
|
|
25
|
295
|
320
|
75
|
145
|
100
|
110
|
147
|
8.502
|
|
50
|
372
|
320
|
97
|
165
|
114
|
153
|
153
|
16.844
|
|
DN
|
出口法兰尺寸(mm)
|
入口法兰尺寸(mm)
|
|
N
|
D
|
D1
|
D2
|
D3
|
b
|
f
|
f1
|
z-d
|
N′
|
D′
|
D1′
|
D2′
|
D3′
|
b′
|
f′
|
f1′
|
z′-d′
|
|
25
|
25
|
115
|
85
|
65
|
58
|
15
|
2
|
4
|
4-14
|
50
|
160
|
125
|
100
|
87
|
20
|
3
|
4
|
4-18
|
|
50
|
50
|
160
|
125
|
100
|
88
|
20
|
3
|
4
|
4-18
|
80
|
195
|
160
|
135
|
120
|
22
|
3
|
4
|
8-18
|
注:可根据用户要求生产无过流的汽车用紧急切断阀。
|
|
QGJ43F-25-DN25,QGJ43F-25P-DN25,QGY43F-25-DN25,QGY43F-25P-DN25,QGJ43F-25-DN25,QGY43F-25-DN25,
QGJ43F-25-DN50,QGJ43F-25P-DN50,QGY43F-25-DN50,QGY43F-25P-DN50,QGJ43F-25-DN50,QGY43F-25-DN50,