U941SM-25-DN300,U941SM-25-DN350,U941SM-25-DN400,U941SM-25-DN450,U941SM-25-DN500,
U941SM-40-DN50,U941SM-40-DN65,U941SM-40-DN125,U941SM-40-DN150,U941SM-40-DN200,U941SM-40-DN250,
U941SM-40-DN300,U941SM-40-DN350,U941SM-40-DN400,U941SM-40-DN450,U941SM-40-DN500,
一、产品[柱塞阀]的详细资料:
产品名称:电动柱塞阀
产品特点:电动柱塞阀外形分Z字形和腰鼓形两种,但内部结构和零件尺寸完全相同。有金属和非金属密封。电动头来采用引进美国依米托克(Limitorque)技术生产的SMC系列多回转型电动装置,这种电动装置在国内属于上乘,其产品被我厂长期使用.
二、电动柱塞阀主要连接、结构尺寸:
|
DN(mm) |
(UJ941H) U941SM |
||||||||||||
|
50 |
65 |
80 |
100 |
125 |
150 |
200 |
250 |
300 |
350 |
400 |
450 |
500 |
|
|
L |
230 |
290 |
310 |
350 |
400 |
480 |
600 |
730 |
850 |
980 |
1100 |
1200 |
1250 |
|
型号 |
SMC-03 |
SMC-00 |
SMC-00 |
SMC-00 |
SMC-0 |
SMC-0 |
SMC-1 |
SMC-1 |
SMC-1 |
SMC-1 |
SMC-1 |
SMC-2 |
SMC-3 |
|
W |
865 |
910 |
910 |
910 |
940 |
940 |
1052 |
1052 |
1052 |
1052 |
1150 |
1150 |
|
|
D |
165 |
185 |
200 |
235 |
270 |
300 |
360 |
425 |
485 |
555 |
620 |
670 |
730 |
|
K |
125 |
145 |
160 |
190 |
220 |
250 |
310 |
370 |
430 |
490 |
550 |
600 |
660 |
|
D1 |
99 |
118 |
132 |
156 |
184 |
211 |
274 |
330 |
389 |
448 |
503 |
548 |
609 |
|
t |
20 |
22 |
24 |
24 |
26 |
28 |
30 |
32 |
34 |
38 |
40 |
42 |
44 |
|
n-φ |
4-18 |
8-18 |
8-18 |
8-22 |
8-26 |
8-26 |
12-26 |
12-30 |
16-30(16-33) |
16-33 |
16-36 |
20-36 |
20-36 |
三、本厂生产的电动柱塞阀所需的力距参数表:
|
DN(mm) |
U941SM-25(40) (N.m) |
||||||||||||
|
50 |
65 |
80 |
100 |
125 |
150 |
200 |
250 |
300 |
350 |
400 |
450 |
500 |
|
|
PN2.5 |
120 |
220 |
240 |
320 |
480 |
550 |
1100 |
1400 |
1500 |
1800 |
2400 |
3000 |
4000 |
|
PN4.0 |
250 |
300 |
340 |
500 |
600 |
1000 |
2000 |
2600 |
2800 |
3400 |
4000 |
5000 |
5800 |
四、SMC系列阀门电动装置技术参数:
|
DN(mm) |
允许输出转矩(N.m) |
速比范围 |
允许推力(KN) |
允许阀杆直径(㎜) |
参考重量(㎏) |
|
SMC-04 |
110 |
18-90 |
35 |
26 |
40-45 |
|
SMC-03 |
270 |
15-130 |
45 |
38 |
60-70 |
|
SMC-00 |
500 |
11-148 |
90 |
50 |
100-110 |
|
SMC-0 |
970 |
12-198 |
150 |
65 |
130-150 |
|
SMC-1 |
1800 |
13-230 |
250 |
76 |
170-185 |
|
SMC-2 |
2700 |
10-200 |
300 |
89 |
190-210 |
|
SMC-3 |
5800 |
11-200 |
600 |
127 |
480-520 |
五、SMC系列典型规格技术参数:
|
DN(mm) |
输出转矩 |
输出转速 |
电机功率 |
电机堵转电流 |
|
SMC-04 |
110 |
18 |
0.2 |
7.42 |
|
110 |
36 |
0.3 |
9.31 |
|
|
SMC-03 |
200 |
18 |
0.4 |
12.04 |
|
270 |
24 |
0.6 |
17.15 |
|
|
SMC-00 |
500 |
18 |
0.6 |
17.15 |
|
500 |
36 |
1.5 |
38.85 |
|
|
SMC-0 |
700 |
18 |
1.1 |
29.68 |
|
970 |
18 |
1.5 |
38.85 |
|
|
SMC-1 |
1200 |
12 |
1.5 |
38.85 |
|
1200 |
24 |
2.2 |
50.82 |
|
|
1800 |
12 |
2.2 |
50.82 |
|
|
SMC-2 |
1800 |
24 |
3.0 |
65.03 |
|
200 |
12 |
2.2 |
50.82 |
|
|
2700 |
12 |
3.0 |
65.03 |
|
|
SMC-3 |
4000 |
12 |
4.0 |
74.20 |
|
5800 |
12 |
5.5 |
91.63 |
注:1、表中所列为典型规格的技术参数,用户如选用其它参数,订货时请说明。
2、表中电机堵转电流值为产品数值。
六、SMC-04和03外形尺寸:

|
代号 |
L1 |
L2 |
B1 |
B2 |
H1 |
H2 |
H3 |
H4 |
H5 |
|
SMC-04 |
185 |
346 |
243 |
140 |
3 |
212 |
35 |
108 |
213 |
|
SMC-03 |
202 |
373 |
387 |
198 |
3 |
259 |
43 |
134 |
239 |
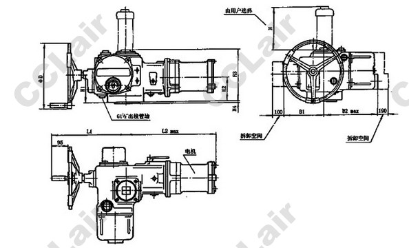
七、SMC-00、0、1和2外形尺寸:

|
代号 |
L1 |
L2 |
B1 |
B2 |
H1 |
H2 |
H3 |
H4 |
D |
|
SMC-00 |
392 |
519 |
251 |
364 |
123 |
115 |
253 |
4 |
305 |
|
SMC-0 |
410 |
529 |
273 |
367 |
153 |
132 |
285 |
5 |
305 |
|
SMC-1 |
429 |
623 |
304 |
393 |
168 |
148 |
310 |
5 |
305 |
|
SMC-2 |
457 |
697 |
333 |
418 |
184 |
158 |
358 |
5 |
458 |


