EG6B41J-16-DN15,EG6B41J-10-DN20,EG6B41J-6-DN25,EG6B41J-16-DN32,EG6B41J-10-DN40,英标气动隔膜阀

一、产品[气动隔膜阀]的详细资料:
产品型号:EG6B41J
产品名称:常闭型气动隔膜阀
产品特点:设计与制造:BS5156 结构长度:BS5156 法兰连接尺寸:BS4504、DIN2532、JIS B2212、ANSI B16.1、ISO2004 EG6B41W无衬里,EG6B41J衬胶气动隔膜阀,常闭型气动隔膜阀。
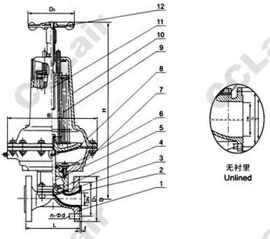
部件列表:1.阀体 2.阀体衬里 3.隔膜 4.阀瓣 5.下阀杆 6.阀盖 7.气缸 8.气动薄膜 9.弹簧 10.气缸盖
11.上阀杆 12.手轮
二、用途:
本阀专用于控制非腐蚀性或一般腐蚀性介质,阀体内腔表面无衬里或覆有可供选择的各种橡胶、适用于不同工作温度和液体管路。
适用温度:≤85℃、≤100℃、≤120℃、≤150℃(按照衬里和隔膜材料)
压力等级:PN(MPa) 0.6 1.0 1.6
三、材料:
阀体:铸铁、球墨铸铁、碳钢、不锈钢
阀盖:铸铁、球墨铸铁、碳钢、不锈钢
衬里:无衬里、橡胶
隔膜:橡胶
阀瓣:铸铁
气缸:铝合金、碳钢
气动薄膜:橡胶
阀杆:碳钢、不锈钢 手轮:铸铁
四、测试:
衬里层:电火花检测
试验与检验按BS6755标准
公称压力:PN(MPa)
阀体:PN×1.5
密封:PN×1.1
五、常闭型气动隔膜阀主要连接尺寸:
|
DN |
公称压力 |
工作压力 |
L |
D |
D1 |
n-Фd |
f |
H |
D0 |
B |
代号 |
气源压力 |
气源接头 |
耗气量 |
质量 |
|
15 |
1.6 |
1.6 |
108 |
95 |
65 |
4-14 |
2 |
- | - | - | - | - | - | - | - |
|
20 |
117 |
105 |
75 |
4-14 |
2 |
- |
120 |
168 |
61 |
0.3 |
1/8 |
163.87 |
7.2 |
||
|
25 |
127 |
115 |
85 |
4-14 |
2 |
394 |
120 |
168 |
61 |
0.3~0.4 |
1/8 |
196.65 |
8.9 |
||
|
32 |
146 |
140 |
100 |
4-18 |
2 |
400 |
120 |
168 |
61 |
0.3~0.4 |
1/8 |
229.4 |
10.6 |
||
|
40 |
159 |
150 |
110 |
4-18 |
2 |
485 |
165 |
260 |
62 |
0.3~0.4 |
1/4 |
1425.7 |
19.5 |
||
|
50 |
190 |
165 |
125 |
4-18 |
2 |
635 |
165 |
318 |
63 |
0.3~0.4 |
1/4 |
2284.1 |
34.9 |
||
|
65 |
1.0 |
1.0 |
216 |
185 |
145 |
4-18 |
2 |
650 |
165 |
318 |
63 |
0.3~0.4 |
1/4 |
3048 |
39.9 |
|
80 |
254 |
200 |
160 |
8-18 |
2 |
660 |
165 |
318 |
63 |
0.4~0.5 |
1/4 |
3244.7 |
51.9 |
||
|
100 |
305 |
220 |
180 |
8-18 |
2 |
816 |
280 |
425 |
64 |
0.4~0.5 |
3/8 |
6964.5 |
93.2 |
||
|
125 |
356 |
250 |
210 |
8-18 |
3 |
825 |
280 |
425 |
64 |
0.4~0.5 |
3/8 |
7439.7 |
105.3 |
||
|
150 |
406 |
285 |
240 |
8-22 |
3 |
1013 |
365 |
549 |
65 |
0.5 |
3/8 |
14912 |
184.5 |
||
|
200 |
0.6 |
0.6 |
521 |
340 |
295 |
8-22 |
3 |
1300 |
483 |
749 |
66 |
0.6 |
1/2 |
49161 |
407.4 |
|
250 |
635 |
395 |
350 |
12-22 |
5 |
- | - | - | - | - | - | - | - | ||
|
300 |
749 |
445 |
400 |
12-22 |
5 |
- | - | - | - | - | - | - | - |
注:1. 气动隔膜阀门尚可附装反馈信号、限位器或定位器,以适应自控、程控或调节流量的需要。
2. 气动阀门的反馈信号采用无触点传感技术。
3. 采用薄膜式气缸替代活塞式气缸,排除了活塞易损漏而导致无法启闭阀门的弊端。
4. 当气源发生故障时,可操作手轮使阀门开启。
EG6B41J-16-DN100,EG6B41J-16-DN125,EG6B41J-16-DN150,EG6B41J-16-DN200,EG6B41J-16-DN250,EG6B41J-16-DN300,
EG6B41J-10-DN15,EG6B41J-10-DN25,EG6B41J-10-DN32,cclair,EG6B41J-10-DN50,EG6B41J-10-DN65,EG6B41J-10-DN80,
EG6B41J-10-DN100,EG6B41J-10-DN125,EG6B41J-10-DN150,EG6B41J-10-DN200,EG6B41J-10-DN250,EG6B41J-10-DN300,
EG6B41J-6-DN15,EG6B41J-6-DN20,EG6B41J-6-DN32,EG6B41J-6-DN40,EG6B41J-6-DN65,EG6B41J-6-DN80,EG6B41J-6-DN100,
EG6B41J-6-DN125,EG6B41J-6-DN150,EG6B41J-6-DN200,EG6B41J-6-DN250,EG6B41J-6-DN300,


