GD3741XJ-6Z,GD3741XJ-6Q,GD3741XJ-10C,GD3741XJ-10Z,GD3741XJ-16Q,GD3741XJ-16Z,消防信号蝶阀
一、产品[消防信号蝶阀]的详细资料:
产品名称:消防信号蝶阀
产品特点:对夹式管网衬胶蝶阀,法兰式管网衬胶蝶阀,管网衬胶蝶阀

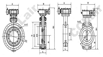
二、消防信号蝶阀GD3 7 4 1 X J- Z.Q.C.P.R系列对连接尺寸:
|
公称通径 |
外形尺寸(参考值) |
法兰尺寸和螺栓孔尺寸(标准值) |
|||||||||||||||||||
|
对夹式 |
法兰式 |
A |
B |
0.6MPa |
1.0MPa |
1.6MPa |
|||||||||||||||
|
毫米 |
英寸 |
L半 |
H |
H1 |
L半 |
H |
H1 |
D |
D1 |
D2 |
n-d |
D |
D1 |
D2 |
n-d |
D |
D1 |
D2 |
n-d |
||
|
50 |
2 |
43 |
63 |
309 |
108 |
82.5 |
306 |
80 |
80 |
140 |
110 |
88 |
4-14 |
165 |
125 |
99 |
4-18 |
165 |
125 |
99 |
4-18 |
|
65 |
2 1/2 |
46 |
70 |
320 |
112 |
92.5 |
321 |
80 |
80 |
160 |
130 |
108 |
4-14 |
185 |
145 |
118 |
4-18 |
185 |
145 |
118 |
4-18 |
|
80 |
3 |
46 |
83 |
340 |
114 |
100 |
346 |
80 |
80 |
190 |
150 |
124 |
4-18 |
200 |
160 |
132 |
8-18 |
200 |
160 |
132 |
8-18 |
|
100 |
4 |
52 |
105 |
360 |
127 |
110 |
387 |
95 |
95 |
210 |
170 |
144 |
4-18 |
220 |
180 |
156 |
8-18 |
220 |
180 |
156 |
8-18 |
|
125 |
5 |
56 |
115 |
405 |
140 |
125 |
411 |
95 |
95 |
240 |
200 |
174 |
8-18 |
250 |
210 |
184 |
8-18 |
250 |
210 |
184 |
8-18 |
|
150 |
6 |
56 |
137 |
450 |
140 |
142.5 |
447 |
95 |
95 |
265 |
225 |
199 |
8-18 |
285 |
240 |
211 |
8-22 |
285 |
240 |
211 |
8-22 |
|
200 |
8 |
60 |
164 |
607 |
152 |
170 |
607 |
190 |
308 |
320 |
280 |
254 |
8-18 |
340 |
295 |
266 |
8-22 |
340 |
295 |
266 |
12-22 |
|
250 |
10 |
68 |
206 |
659 |
165 |
192.5 |
688 |
190 |
308 |
375 |
335 |
309 |
12-18 |
395 |
350 |
319 |
12-22 |
405 |
355 |
319 |
12-26 |
|
300 |
12 |
78 |
230 |
742 |
178 |
222.5 |
742 |
190 |
308 |
440 |
395 |
363 |
12-22 |
445 |
400 |
370 |
12-22 |
460 |
410 |
370 |
12-26 |
|
350 |
14 |
78 |
248 |
792 |
190 |
252.5 |
797 |
190 |
308 |
490 |
445 |
413 |
12-22 |
505 |
460 |
429 |
16-22 |
520 |
470 |
429 |
16-26 |
|
400 |
16 |
102 |
289 |
887 |
216 |
282.5 |
930 |
270 |
466 |
540 |
495 |
463 |
16-22 |
565 |
515 |
480 |
16-26 |
580 |
525 |
480 |
16-30 |
|
450 |
18 |
114 |
320 |
938 |
222 |
307.5 |
975 |
270 |
466 |
595 |
550 |
518 |
16-22 |
615 |
565 |
530 |
20-26 |
640 |
585 |
548 |
20-30 |
|
500 |
20 |
127 |
343 |
985 |
229 |
335 |
1065 |
270 |
466 |
645 |
600 |
568 |
20-22 |
670 |
620 |
582 |
20-26 |
715 |
650 |
609 |
20-33 |
|
600 |
24 |
154 |
413 |
1243 |
267 |
390 |
1225 |
457 |
625 |
755 |
705 |
667 |
20-26 |
780 |
725 |
682 |
20-30 |
840 |
770 |
720 |
20-36 |
|
700 |
28 |
165 |
478 |
1346 |
292 |
447.5 |
1343 |
457 |
625 |
860 |
810 |
772 |
24-26 |
895 |
840 |
794 |
24-30 |
910 |
840 |
794 |
24-36 |
|
800 |
32 |
190 |
525 |
1466 |
318 |
507.5 |
1436 |
457 |
625 |
975 |
920 |
878 |
24-30 |
1015 |
950 |
901 |
24-33 |
1025 |
950 |
901 |
24-39 |
|
900 |
36 |
203 |
585 |
1565 |
330 |
557.5 |
1616 |
598 |
853 |
1075 |
1020 |
978 |
24-30 |
1115 |
1050 |
1001 |
28-33 |
1125 |
1050 |
1001 |
28-39, |
|
1000 |
40 |
216 |
640 |
1781 |
410 |
615 |
1711 |
598 |
853 |
1175 |
1120 |
1078 |
28-30 |
1230 |
1160 |
1112 |
28-36 |
1255 |
1170 |
1112 |
28-42 |
|
1200 |
48 |
254 |
755 |
1965 |
470 |
727.5 |
1971 |
598 |
853 |
1405 |
1340 |
1295 |
32-33 |
1455 |
1380 |
1328 |
32-39 |
1485 |
1390 |
1328 |
32-48 |
|
1400 |
56 |
270 |
910 |
2195 |
530 |
837.5 |
2218 |
860 |
1345 |
1630 |
1560 |
1510 |
36-36 |
1675 |
1530 |
1530 |
36-42 |
1685 |
1590 |
1530 |
36-48 |
|
1600 |
64 |
318 |
1030 |
2525 |
600 |
957.5 |
2578 |
860 |
1345 |
1830 |
1760 |
1710 |
40-36 |
1915 |
1820 |
1750 |
40-48 |
1930 |
1820 |
1750 |
40-56 |
|
1800 |
72 |
356 |
1140 |
2845 |
670 |
1057.5 |
2689 |
860 |
1345 |
2045 |
1970 |
1718 |
44-39 |
2115 |
2020 |
1950 |
44-48 |
2130 |
2020 |
1950 |
44-56 |
|
2000 |
80 |
406 |
1250 |
3075 |
760 |
1162.5 |
3022 |
952 |
1592 |
2265 |
2180 |
2125 |
48-42 |
2325 |
2230 |
2150 |
48-48 |
2345 |
2230 |
2150 |
48-62 |
GD3741XJ-10Z-DN50,GD3741XJ-10Q-DN50,GD3741XJ-10C-DN50,GD3741XJ-10P-DN50,GD3741XJ-10R-DN50,
GD3741XJ-16Z-DN50,GD3741XJ-16Q-DN50,CCLAIR,GD3741XJ-16C-DN50,GD3741XJ-16P-DN50,GD3741XJ-16R-DN50,
GD3741XJ-6Z-DN65,GD3741XJ-6Q-DN65,GD3741XJ-6C-DN65,GD3741XJ-6P-DN65,GD3741XJ-6R-DN65,
GD3741XJ-10Z-DN65,GD3741XJ-10Q-DN65,GD3741XJ-10C-DN65,GD3741XJ-10P-DN65,GD3741XJ-10R-DN65,
GD3741XJ-16Z-DN65,GD3741XJ-16Q-DN65,GD3741XJ-16C-DN65,GD3741XJ-16P-DN65,GD3741XJ-16R-DN65,
GD3741XJ-6Z-DN80,GD3741XJ-6Q-DN80,GD3741XJ-6C-DN80,GD3741XJ-6P-DN80,GD3741XJ-6R-DN80,
GD3741XJ-10Z-DN80,GD3741XJ-10Q-DN80,GD3741XJ-10C-DN80,GD3741XJ-10P-DN80,GD3741XJ-10R-DN80,
GD3741XJ-16Z-DN80,GD3741XJ-16Q-DN80,GD3741XJ-16C-DN80,GD3741XJ-16P-DN80,GD3741XJ-16R-DN80,
GD3741XJ-6Z-DN100,GD3741XJ-6Q-DN100,GD3741XJ-6C-DN100,GD3741XJ-6P-DN100,GD3741XJ-6R-DN100,
GD3741XJ-10Z-DN100,GD3741XJ-10Q-DN100,GD3741XJ-10C-DN100,GD3741XJ-10P-DN100,GD3741XJ-10R-DN100,
GD3741XJ-16Z-DN100,GD3741XJ-16Q-DN100,GD3741XJ-16C-DN100,GD3741XJ-16P-DN100,GD3741XJ-16R-DN100,
GD3741XJ-6Z-DN125,GD3741XJ-6Q-DN125,GD3741XJ-6C-DN125,GD3741XJ-6P-DN125,GD3741XJ-6R-DN125,
GD3741XJ-10Z-DN125,GD3741XJ-10Q-DN125,GD3741XJ-10C-DN125,GD3741XJ-10P-DN125,GD3741XJ-10R-DN125,
GD3741XJ-16Z-DN125,GD3741XJ-16Q-DN125,GD3741XJ-16C-DN125,GD3741XJ-16P-DN125,GD3741XJ-16R-DN125,
GD3741XJ-6Z-DN150,GD3741XJ-6Q-DN150,GD3741XJ-6C-DN150,GD3741XJ-6P-DN150,GD3741XJ-6R-DN150,
GD3741XJ-10Z-DN150,GD3741XJ-10Q-DN150,GD3741XJ-10C-DN150,GD3741XJ-10P-DN150,GD3741XJ-10R-DN150,
GD3741XJ-16Z-DN150,GD3741XJ-16Q-DN150,GD3741XJ-16C-DN150,GD3741XJ-16P-DN150,GD3741XJ-16R-DN150,
GD3741XJ-6Z-DN200,GD3741XJ-6Q-DN200,GD3741XJ-6C-DN200,GD3741XJ-6P-DN200,GD3741XJ-6R-DN200,
GD3741XJ-10Z-DN200,GD3741XJ-10Q-DN200,GD3741XJ-10C-DN200,GD3741XJ-10P-DN200,GD3741XJ-10R-DN200,
GD3741XJ-16Z-DN200,GD3741XJ-16Q-DN200,GD3741XJ-16C-DN200,GD3741XJ-16P-DN200,GD3741XJ-16R-DN200,
GD3741XJ-6Z-DN250,GD3741XJ-6Q-DN250,GD3741XJ-6C-DN250,GD3741XJ-6P-DN250,GD3741XJ-6R-DN250,
GD3741XJ-10Z-DN250,GD3741XJ-10Q-DN250,GD3741XJ-10C-DN250,GD3741XJ-10P-DN250,GD3741XJ-10R-DN250,
GD3741XJ-16Z-DN250,GD3741XJ-16Q-DN250,GD3741XJ-16C-DN250,GD3741XJ-16P-DN250,GD3741XJ-16R-DN250,
GD3741XJ-6Z-DN300,GD3741XJ-6Q-DN300,GD3741XJ-6C-DN300,GD3741XJ-6P-DN300,GD3741XJ-6R-DN300,
GD3741XJ-10Z-DN300,GD3741XJ-10Q-DN300,GD3741XJ-10C-DN300,GD3741XJ-10P-DN300,GD3741XJ-10R-DN300,
GD3741XJ-16Z-DN300,GD3741XJ-16Q-DN300,GD3741XJ-16C-DN300,GD3741XJ-16P-DN300,GD3741XJ-16R-DN300,
GD3741XJ-6Z-DN350,GD3741XJ-6Q-DN350,CCLAIR,GD3741XJ-6C-DN350,GD3741XJ-6P-DN350,GD3741XJ-6R-DN350,
GD3741XJ-10Z-DN350,GD3741XJ-10Q-DN350,GD3741XJ-10C-DN350,GD3741XJ-10P-DN350,GD3741XJ-10R-DN350,
GD3741XJ-16Z-DN350,GD3741XJ-16Q-DN350,GD3741XJ-16C-DN350,GD3741XJ-16P-DN350,GD3741XJ-16R-DN350,
GD3741XJ-6Z-DN400,GD3741XJ-6Q-DN400,GD3741XJ-6C-DN400,GD3741XJ-6P-DN400,GD3741XJ-6R-DN400,
GD3741XJ-10Z-DN400,GD3741XJ-10Q-DN400,GD3741XJ-10C-DN400,GD3741XJ-10P-DN400,GD3741XJ-10R-DN400,
GD3741XJ-16Z-DN400,GD3741XJ-16Q-DN400,GD3741XJ-16C-DN400,GD3741XJ-16P-DN400,GD3741XJ-16R-DN400,
GD3741XJ-6Z-DN450,GD3741XJ-6Q-DN450,GD3741XJ-6C-DN450,GD3741XJ-6P-DN450,GD3741XJ-6R-DN450,
GD3741XJ-10Z-DN450,GD3741XJ-10Q-DN450,GD3741XJ-10C-DN450,GD3741XJ-10P-DN450,GD3741XJ-10R-DN450,
GD3741XJ-16Z-DN450,GD3741XJ-16Q-DN450,GD3741XJ-16C-DN450,GD3741XJ-16P-DN450,GD3741XJ-16R-DN450,
GD3741XJ-6Z-DN500,GD3741XJ-6Q-DN500,GD3741XJ-6C-DN500,GD3741XJ-6P-DN500,GD3741XJ-6R-DN500,
GD3741XJ-10Z-DN500,GD3741XJ-10Q-DN500,GD3741XJ-10C-DN500,GD3741XJ-10P-DN500,GD3741XJ-10R-DN500,
GD3741XJ-16Z-DN500,GD3741XJ-16Q-DN500,GD3741XJ-16C-DN500,GD3741XJ-16P-DN500,GD3741XJ-16R-DN500,
GD3741XJ-6Z-DN600,GD3741XJ-6Q-DN600,GD3741XJ-6C-DN600,GD3741XJ-6P-DN600,GD3741XJ-6R-DN600,
GD3741XJ-10Z-DN600,GD3741XJ-10Q-DN600,GD3741XJ-10C-DN600,GD3741XJ-10P-DN600,GD3741XJ-10R-DN600,
GD3741XJ-16Z-DN600,GD3741XJ-16Q-DN600,GD3741XJ-16C-DN600,GD3741XJ-16P-DN600,GD3741XJ-16R-DN600,
GD3741XJ-6Z-DN700,GD3741XJ-6Q-DN700,GD3741XJ-6C-DN700,GD3741XJ-6P-DN700,GD3741XJ-6R-DN700,
GD3741XJ-10Z-DN700,GD3741XJ-10Q-DN700,GD3741XJ-10C-DN700,GD3741XJ-10P-DN700,GD3741XJ-10R-DN700,
GD3741XJ-16Z-DN700,GD3741XJ-16Q-DN700,GD3741XJ-16C-DN700,GD3741XJ-16P-DN700,GD3741XJ-16R-DN700,
GD3741XJ-6Z-DN800,GD3741XJ-6Q-DN800,GD3741XJ-6C-DN800,GD3741XJ-6P-DN800,GD3741XJ-6R-DN800,
GD3741XJ-10Z-DN800,GD3741XJ-10Q-DN800,GD3741XJ-10C-DN800,GD3741XJ-10P-DN800,GD3741XJ-10R-DN800,
GD3741XJ-16Z-DN800,GD3741XJ-16Q-DN800,GD3741XJ-16C-DN800,GD3741XJ-16P-DN800,GD3741XJ-16R-DN800,
GD3741XJ-6Z-DN900,GD3741XJ-6Q-DN900,GD3741XJ-6C-DN900,GD3741XJ-6P-DN900,GD3741XJ-6R-DN900,
GD3741XJ-10Z-DN900,GD3741XJ-10Q-DN900,GD3741XJ-10C-DN900,GD3741XJ-10P-DN900,GD3741XJ-10R-DN900,
GD3741XJ-16Z-DN900,GD3741XJ-16Q-DN900,GD3741XJ-16C-DN900,GD3741XJ-16P-DN900,GD3741XJ-16R-DN900,
GD3741XJ-6Z-DN1000,GD3741XJ-6Q-DN1000,GD3741XJ-6C-DN1000,GD3741XJ-6P-DN1000,GD3741XJ-6R-DN1000,
GD3741XJ-10Z-DN1000,GD3741XJ-10Q-DN1000,GD3741XJ-10C-DN1000,GD3741XJ-10P-DN1000,GD3741XJ-10R-DN1000,
GD3741XJ-16Z-DN1000,GD3741XJ-16Q-DN1000,GD3741XJ-16C-DN1000,GD3741XJ-16P-DN1000,GD3741XJ-16R-DN1000,
GD3741XJ-6Z-DN1200,GD3741XJ-6Q-DN1200,CCLAIR,GD3741XJ-6C-DN1200,GD3741XJ-6P-DN1200,GD3741XJ-6R-DN1200,
GD3741XJ-10Z-DN1200,GD3741XJ-10Q-DN1200,GD3741XJ-10C-DN1200,GD3741XJ-10P-DN1200,GD3741XJ-10R-DN1200,
GD3741XJ-16Z-DN1200,GD3741XJ-16Q-DN1200,GD3741XJ-16C-DN1200,GD3741XJ-16P-DN1200,GD3741XJ-16R-DN1200,
GD3741XJ-6Z-DN1400,GD3741XJ-6Q-DN1400,GD3741XJ-6C-DN1400,GD3741XJ-6P-DN1400,GD3741XJ-6R-DN1400,
GD3741XJ-10Z-DN1400,GD3741XJ-10Q-DN1400,GD3741XJ-10C-DN1400,GD3741XJ-10P-DN1400,GD3741XJ-10R-DN1400,
GD3741XJ-16Z-DN1400,GD3741XJ-16Q-DN1400,GD3741XJ-16C-DN1400,GD3741XJ-16P-DN1400,GD3741XJ-16R-DN1400,
GD3741XJ-6Z-DN1600,GD3741XJ-6Q-DN1600,GD3741XJ-6C-DN1600,GD3741XJ-6P-DN1600,GD3741XJ-6R-DN1600,
GD3741XJ-10Z-DN1600,GD3741XJ-10Q-DN1600,GD3741XJ-10C-DN1600,GD3741XJ-10P-DN1600,GD3741XJ-10R-DN1600,
GD3741XJ-16Z-DN1600,GD3741XJ-16Q-DN1600,GD3741XJ-16C-DN1600,GD3741XJ-16P-DN1600,GD3741XJ-16R-DN1600,
GD3741XJ-6Z-DN1800,GD3741XJ-6Q-DN1800,GD3741XJ-6C-DN1800,GD3741XJ-6P-DN1800,GD3741XJ-6R-DN1800,
GD3741XJ-10Z-DN1800,GD3741XJ-10Q-DN1800,GD3741XJ-10C-DN1800,GD3741XJ-10P-DN1800,GD3741XJ-10R-DN1800,
GD3741XJ-16Z-DN1800,GD3741XJ-16Q-DN1800,GD3741XJ-16C-DN1800,GD3741XJ-16P-DN1800,GD3741XJ-16R-DN1800,
GD3741XJ-6Z-DN2000,GD3741XJ-6Q-DN2000,CCLAIR,GD3741XJ-6C-DN2000,GD3741XJ-6P-DN2000,GD3741XJ-6R-DN2000,
GD3741XJ-10Z-DN2000,GD3741XJ-10Q-DN2000,GD3741XJ-10C-DN2000,GD3741XJ-10P-DN2000,GD3741XJ-10R-DN2000,
GD3741XJ-16Z-DN2000,GD3741XJ-16Q-DN2000,GD3741XJ-16C-DN2000,GD3741XJ-16P-DN2000,GD3741XJ-16R-DN2000,


