WMBV-200-DN50,WMBV-200-DN65,WMBV-200-DN80,WMBV-200-DN100,WMBV-200-DN125,对夹式蝶阀
一、①WMBV-200系列法兰式蝶阀产品名称与型号②WMBV-200系列法兰式蝶阀口径③WMBV-200系列法兰式蝶阀是否带附件以便我们的为您正确选型。
二、若已经由设计单位选定公司的WMBV-200系列法兰式蝶阀型号,请按WMBV-200系列法兰式蝶阀型号直接向我司销售部订购。
三、当使用的场合非常重要或环境比较复杂时,请您尽量提供设计图纸和详细参数,由我们的专家为您审核把关。
感谢您访问我们的网站,如有任何疑问.您可以致电给我们,我们一定会尽心尽力为您提供优质的服务。
WMBV-200-DN500,WMBV-200-DN600,WMBV-200-DN700,WMBV-200-DN800,WMBV-200-DN900,WMBV-200-DN1000,
WMBV-200-DN1200,WMBV-200-DN1400,WMBV-200-DN1600,WMBV-200-DN1800,WMBV-200-DN2000,
一、采用标准:
|
法兰连接尺寸
|
结构长度
|
压力试验
|
|
DUB、ANSI、GB(适合中国地区)
|
DIN、ANSI
|
API 598
|
二、主要技术参数:
|
公称通径
|
50-1600
|
|
|
公称压力PN(Mpa)
|
1.0/1.6
|
|
|
试验压力
|
强度试验
|
1.5
|
|
密封试验
|
1.1
|
|
|
适用介质
|
水、蒸汽、油品、煤气、天然气、海水、污水、腐蚀性介质
|
|
|
适用温度
|
-40℃~160℃
|
|
三、主要零部件材料:
|
名称
|
材料
|
|
阀体
|
铸铁、球墨铸铁、WCB、不锈钢
|
|
阀板
|
CF8M、球墨铸铁、铝青铜、衬橡胶阀板 |
|
阀杆
|
316不锈钢、416不锈钢、蒙乃尔 |
|
阀座
|
NBR、EPDM、Viton、PTFE |
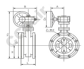
四、WMBV-200系列法兰式蝶阀主要外形连接尺寸:

|
公称压力 |
公称压力 |
尺寸(mm) |
重量 |
||||||||
|
L |
D1
|
D
|
Z-Φd
|
H
|
H0
|
A
|
B
|
D0
|
|||
|
1.0/1.6 |
50 |
108 |
125 |
165 |
4.18 |
82.5 |
443 |
125 |
125 |
80 |
51 |
|
65 |
112 |
145 |
185 |
4.18 |
92.5 |
463 |
125 |
125 |
80 |
62 |
|
|
80 |
114 |
160 |
200 |
8.18 |
100 |
483 |
125 |
125 |
80 |
73 |
|
|
100 |
127 |
180 |
220 |
8.18 |
110 |
498 |
125 |
125 |
80 |
87 |
|
|
125 |
140 |
210 |
250 |
8.18 |
125 |
682 |
325 |
245 |
150 |
98 |
|
|
150 |
140 |
240 |
285 |
8.22 |
142.5 |
736 |
325 |
245 |
150 |
102 |
|
|
200 |
152 |
295 |
340 |
8.22 |
170 |
800 |
325 |
245 |
150 |
150 |
|
|
250 |
165 |
350 |
395 |
12.22 |
192.5 |
895 |
363 |
313 |
200 |
170 |
|
|
300 |
178 |
400 |
445 |
12.22 |
222.5 |
956 |
363 |
313 |
200 |
220 |
|
|
350 |
190 |
460 |
505 |
16.22 |
252.5 |
1029 |
363 |
313 |
250 |
350 |
|
|
400 |
216 |
515 |
565 |
16.26 |
282.5 |
1103 |
363 |
313 |
250 |
430 |
|
|
450 |
222 |
565 |
615 |
20.26 |
307.5 |
1280 |
465 |
439 |
300 |
550 |
|
|
500 |
229 |
620 |
670 |
20.26 |
335 |
1186 |
546 |
431 |
360 |
580 |
|
|
600 |
267 |
725 |
780 |
20.30 |
390 |
1321 |
546 |
556 |
360 |
850 |
|
|
700 |
430 |
840 |
895 |
24.30 |
420 |
1431 |
546 |
556 |
360 |
950 |
|
|
800 |
470 |
950 |
1015 |
24.33 |
477.5 |
1542 |
546 |
556 |
360 |
1150 |
|
|
900 |
510 |
1050 |
1115 |
28.33 |
11175 |
1800 |
617 |
706 |
360 |
1750 |
|
|
1000 |
550 |
1160 |
1230 |
28.36 |
582.5 |
2363 |
632 |
706 |
360 |
2100 |
|
|
1200 |
630 |
1380 |
1455 |
32.39 |
692.5 |
2583 |
632 |
706 |
360 |
2580 |
|
|
1400 |
710 |
1590 |
1675 |
36.42 |
- |
- |
- |
- |
- |
2950 |
|
|
1600 |
790 |
1820 |
1915 |
40.48 |
- |
- |
- |
- |
- |
4900 |
|
|
1800 |
870 |
2020 |
2115 |
44.48 |
- |
- |
- |
- |
- |
6300 |
|
|
2000 |
950 |
2230 |
2325 |
48.48 |
- |
- |
- |
- |
- |
9200 |
|
注:1、以上蝶阀的密封试验压力DN50~800为1.1MPa;DN900~1000为0.66MPa;DN1200~2000为0.27MPa。
2、如工作压力超过1.6MPa建议选用三偏心蝶阀。
3、以上蝶阀的连接尺寸均按1.0MPa标准制造,如阀板衬橡胶等特殊需要,订货时请注明。
订货须知:


