手机版
二维码
欢迎访问昌林自动化官方网站!
了解产品
品牌站
搜索
首页
了解产品
资讯动态
品牌站
下载中心
首页
>
了解产品
>
油泵 齿轮泵 组合泵
>
齿轮泵及泵组
>
多联齿轮泵
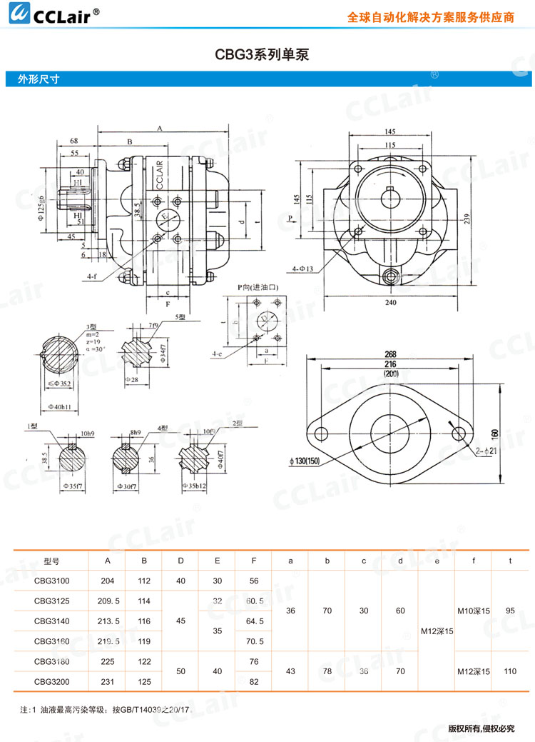
CBG3125/3125,CBG3140/3140,CBG3160/3160,CBG3180/3180,CBG3200/3200,双联齿轮泵
点击图片查看原图
型号:
CBG3125/3125,CBG3140/3140,CBG3160/3160,CBG3180/3180,CBG3200/3200,
PDF下载:
如需产品详细说明请与销售客服联系
浏览次数:
1060
公司基本资料信息
联系人
销售员(女士)
邮件
4006770998@b.qq.com
电话
13861877712
地区
江苏-无锡市
地址
无锡市会北路28-135
详细说明
CBG3125/3125,CBG3140/3140,CBG3160/3160,CBG3180/3180,CBG3200/3200,双联齿轮泵
CBG1020,CBG1032,CBG1040,CBG1050,CBG2032,CBG2055,CBG2063,CBG2080,CBG2100,CBG3100,CBG3125,
CBG3180,CBG1A016,CBG1A032,CBG1A040,CBG1A045,CBG3100,CBG3125,CBG3140,CBG3160,CBG3180,CBG3200,
更多
>
本企业其它产品
G5-25-20-12-08-1E13S
G5-5-5-1E13S-20R,G5-
G5-5,G5-6,G5-8,G5-12
VVP1-20/20,VVP2-30/3
XVP-20-A-10,XVP-30-A
VP3-20-A,VP3-30-A,VP
VVP3-20-20,VVP3-30-3
DVP1-12-A-10,DVP1-15
0
条
相关评论