ZT9928-6P-DN50,ZT9928-6C-DN65,ZT9928-10C-DN80,ZT9928-6P-DN100,ZT9928-6C-DN125,手动浆料闸阀

产品名称:闸阀
产品特点:ZT9928-(0.6/1.0)手动浆料闸阀,手动浆料闸阀,浆料闸阀
二、主要性能规范:
|
公称压力PN(MPa) |
适用介质 |
阀体材料 |
适用温度 |
|
0.6 |
铸钢、铸铁、不锈钢 |
纸浆料 |
X<80 |
|
1.0 |
糖浆、泥浆、纸浆、污水 |
铸钢、铸铁 |
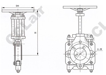
三、ZT9928手动浆料闸阀主要零件材料及连接尺寸:
|
公称压力 |
公称通径 |
主要结构尺寸(mm) |
公称压力 |
公称通径 |
主要结构尺寸(mm) |
|||||||||||
|
L |
D1 |
D2 |
H |
H1 |
N-M |
Z-Φd |
L |
H |
H1 |
D1 |
D2 |
Z-Φd |
||||
|
0.6 |
50 |
50 |
90 |
110 |
380 |
330 |
2-12 |
2-14 |
1.0 |
50 |
48 |
306 |
356 |
100 |
125 |
4-20 |
|
65 |
55 |
110 |
130 |
415 |
350 |
2-12 |
2-14 |
65 |
48 |
320 |
365 |
120 |
145 |
4-20 |
||
|
80 |
60 |
125 |
150 |
450 |
370 |
2-16 |
2-18 |
80 |
50 |
336 |
416 |
135 |
160 |
4-20 |
||
|
100 |
60 |
145 |
170 |
500 |
400 |
2-16 |
2-18 |
100 |
50 |
374 |
474 |
155 |
180 |
8-20 |
||
|
125 |
65 |
175 |
200 |
625 |
500 |
4-16 |
4-18 |
125 |
57 |
446 |
571 |
184 |
210 |
8-20 |
||
|
150 |
70 |
200 |
225 |
690 |
540 |
4-16 |
4-18 |
150 |
57 |
543 |
693 |
210 |
240 |
8-24 |
||
|
200 |
75 |
255 |
280 |
800 |
600 |
4-16 |
4-18 |
200 |
70 |
610 |
810 |
268 |
295 |
8-24 |
||
|
250 |
85 |
260 |
335 |
900 |
650 |
8-16 |
4-18 |
250 |
70 |
724 |
974 |
324 |
350 |
12-24 |
||
|
300 |
90 |
362 |
395 |
1000 |
720 |
8-20 |
4-22 |
300 |
76 |
820 |
1120 |
370 |
400 |
12-24 |
||
|
350 |
105 |
412 |
445 |
1130 |
780 |
8-20 |
4-22 |
350 |
76 |
921 |
1271 |
430 |
460 |
16-24 |
||
|
400 |
115 |
462 |
495 |
1750 |
850 |
12-20 |
4-22 |
400 |
89 |
1026 |
1426 |
485 |
515 |
16-28 |
||
ZT9928-6P-DN250,ZT9928-6P-DN300,ZT9928-6P-DN350,ZT9928-6P-DN400,
ZT9928-6C-DN50,ZT9928-6C-DN80,ZT9928-6C-DN100,ZT9928-6C-DN150,ZT9928-6C-DN200,
ZT9928-6C-DN250,ZT9928-6C-DN300,cclair,ZT9928-6C-DN350,ZT9928-6C-DN400,
ZT9928-10C-DN50,ZT9928-10C-DN65,ZT9928-10C-DN100,ZT9928-10C-DN125,ZT9928-10C-DN150,
ZT9928-10C-DN200,ZT9928-10C-DN250,ZT9928-10C-DN300,ZT9928-10C-DN350,ZT9928-10C-DN400,
一、产品[闸阀]的详细资料:


