Y-Ha32,Y-Hb32,Y-Hc32,Y-Hd32,Y2-Hc20,Y2-Hd20,Y2-Ha32,Y2-Hb32,Y2-Hc32,Y2-Hd32,溢流阀






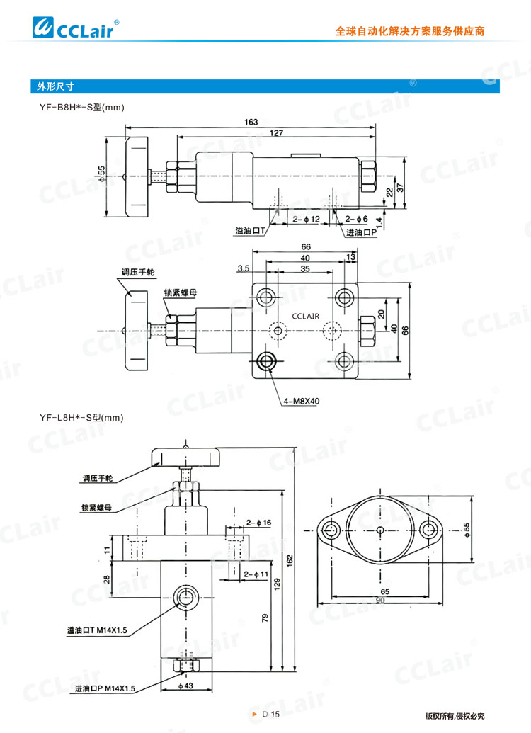
YF-L8H2-S,YF-L10H2-S,YF-L20H2-S,YF-L32H2-S,YF-L8H3-S,YF-L10H3-S,YF-L20H3-S,YF-L32H3-S,
YF-L8H4-S,YF-L10H4-S,YF-L20H4-S,YF-L32H4-S,YF-B8H2-S,YF-B10H2-S,YF-B20H2-S,YF-B32H2-S,
YF-B8H3-S,YF-B10H3-S,YF-B20H3-S,YF-B32H3-S,YF-B8H4-S,YF-B10H4-S,YF-B20H4-S,YF-B32H4-S,


