SD44X-10P-DN80,SD44X-10P-DN100,SD44X-10C-DN150,SD44X-10C-DN200,手动快开排泥阀
SD44X-10P-DN150,SD44X-10P-DN200,SD44X-10P-DN250,SD44X-10C-DN80,SD44X-10C-DN100,SD44X-10C-DN250,
SD44X-10P-DN150,SD44X-10P-DN200,SD44X-10P-DN250,SD44X-10C-DN80,SD44X-10C-DN100,SD44X-10C-DN250,
用途
本产品主要安装于各类水池外.排除水池底部的泥沙用污水。

工作原理
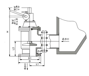
本阀是由主阀、齿轮箱、齿条手柄、挡位等组成。工作时只要把手柄往下按定位就可以开启,相反就伙
速关闭。
技术参数
公称压力:PN1.OMPa
适用温度:常温
阀杆材抖:不锈钢
适用介质:水、污水、泥沙
阀体齿轮材料:HT200
阀瓣材料:衬胶板NBR
主要外型尺寸:
|
公称通径 (mm) |
尺 寸(mm) |
接管螺纹G |
||
|
H |
L1 |
L2 |
||
|
80 |
480 |
135 |
125 |
1/2〞 |
|
100 |
500 |
145 |
125 |
1/2〞 |
|
150 |
620 |
175 |
145 |
1/2〞 |
|
200 |
735 |
225 |
185 |
1/2〞 |
|
250 |
805 |
260 |
205 |
1/2〞 |
|
300 |
940 |
280 |
245 |
3/4〞 |
|
350 |
1100 |
305 |
270 |
3/4〞 |
|
400 |
1200 |
340 |
310 |
1〞 |


