手机版
二维码
欢迎访问昌林自动化官方网站!
了解产品
品牌站
搜索
首页
了解产品
资讯动态
品牌站
下载中心
首页
>
了解产品
>
仪器仪表 自动化
>
压力与隔离及控制
>
压力表
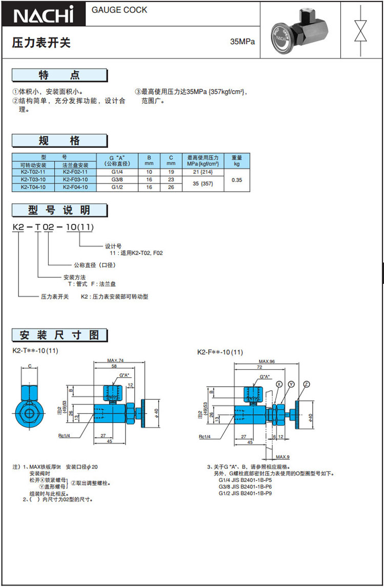
K2-T02-11,K2-T03-10,K2-T04-10,K2-F02-11,K2-F03-10,K2-F04-10,NACHI压力表开关
点击图片查看原图
型号:
K2-T02-11,K2-T03-10,K2-T04-10,K2-F02-11,K2-F03-10,K2-F04-10
PDF下载:
如需产品详细说明请与销售客服联系
浏览次数:
403
公司基本资料信息
联系人
销售员1317(先生)
邮件
4006770998@b.qq.com
电话
0510-82328771
手机
13861877712
地区
江苏-无锡市
地址
九州娱乐ts111下载 A3001
详细说明
K2-T02-11,K2-T03-10,K2-T04-10,K2-F02-11,K2-F03-10,K2-F04-10,NACHI压力表开关
更多
>
本企业其它产品
UVN-1A-0A2,UVN-1A-0A
PVD-00B,PVD-0B,PVD-1
RCJ-060A-8G,RCJ-080A
PVK-0B,PVK-1B,PVK-2B
PCR-1B,PCR-2B,PCR-3B
PHV-1B,PHV-2B,PHV-3B
PVS-0B,PVS-1B,PVS-2B
UPV-0A,UPV-1A,UPV-2A
0
条
相关评论