手机版
二维码
欢迎访问昌林自动化官方网站!
了解产品
品牌站
搜索
首页
了解产品
资讯动态
品牌站
下载中心
首页
>
了解产品
>
液压元件 液压阀
>
压力控制阀
>
溢流阀
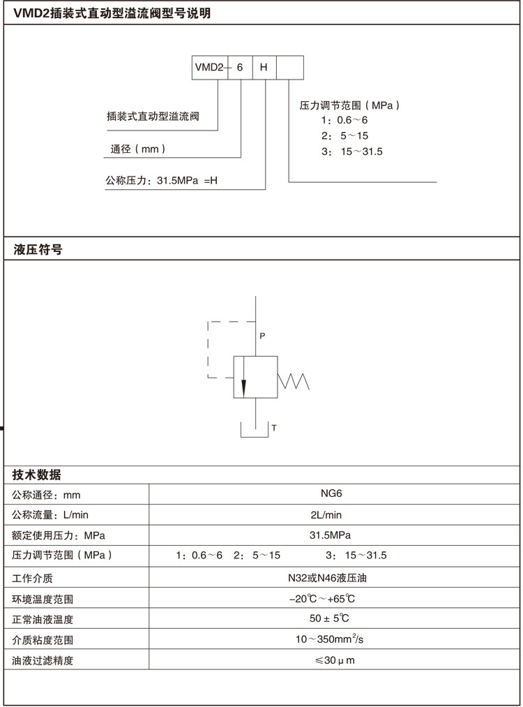
VMD2-6H1,VMD2-6H2,VMD2-6H3,插装式直动型溢流阀
点击图片查看原图
型号:
VMD2-6H1,VMD2-6H2,VMD2-6H3
PDF下载:
如需产品详细说明请与销售客服联系
浏览次数:
356
公司基本资料信息
联系人
销售员1167(女士)
电话
13861877712
地区
江苏-无锡市
地址
无锡市会北路28-135
详细说明
VMD2-6H1,VMD2-6H2,VMD2-6H3,插装式直动型溢流阀
更多
>
本企业其它产品
SA1Y-Ha10L,SA1Y-Ha20
SDFY-L10H,SDFY-L20H,
ZDB10,Z2DB10,ZDB10VA
DR10,DR20,DR30,DR10G
ZDB6,Z2DB6,ZDB6VA1-L
QZL-16-10-S,切纸机组
YBZ-150T,地转机液压
HD-280T,热压机液压控
0
条
相关评论