手机版
二维码
欢迎访问昌林自动化官方网站!
了解产品
品牌站
搜索
首页
了解产品
资讯动态
品牌站
下载中心
首页
>
了解产品
>
液压元件 液压阀
>
流量控制阀
>
调速阀
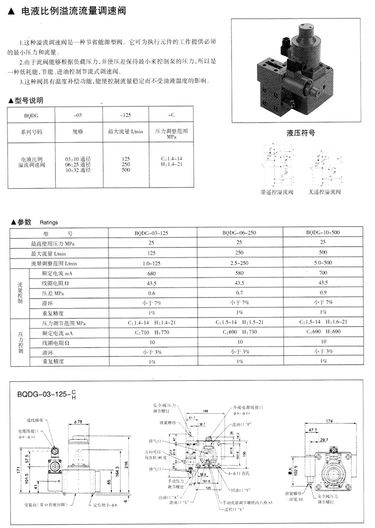
BQDG-03-125,BQDG-06-250,BQDG-10-125,电液比例溢流流量调速阀
点击图片查看原图
型号:
BQDG-03-125,BQDG-06-250,BQDG-10-125
PDF下载:
如需产品详细说明请与销售客服联系
浏览次数:
968
公司基本资料信息
联系人
销售员1443(女士)
电话
13861877712
地区
江苏-无锡市
地址
无锡市会北路28-135
详细说明
BQDG-03-125,BQDG-06-250,BQDG-10-125,电液比例溢流流量调速阀
更多
>
本企业其它产品
FPT-100,标准型压力变
FPT-200,紧凑型压力变
FPT-300-1.6,FPT-300-
FPC-200-1.6,FPC-200-
FPC-400,电子压力继电
FPC-600,半导体压力开
FPC-700-1.6,FPC-700-
FPJ-100-06,FPJ-100-1
0
条
相关评论