欢迎访问昌林自动化官方网站!
九州娱乐ts111下载
 

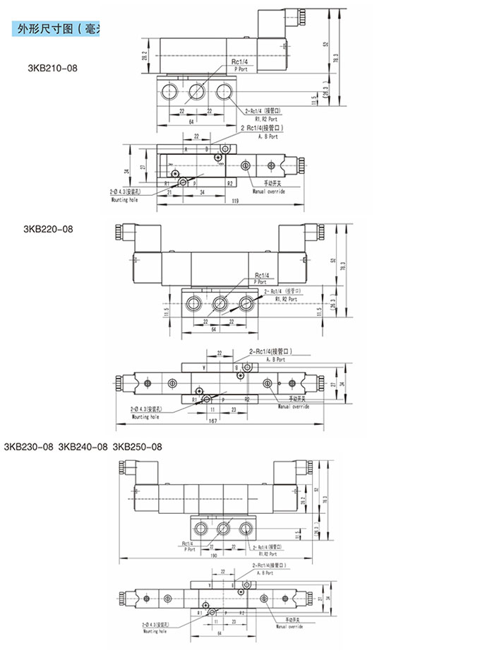
3KB210-08,3KB220-08,3KB230-08,3KB240-08,3KB250-08,3KB210-08-B,先导式五通电磁阀

点击图片查看原图
 
型号: 3KB210-08,3KB220-08,3KB230-08,3KB240-08,3KB250-08,3KB210-08-B,
PDF下载: 如需产品详细说明请与销售客服联系
浏览次数: 377
询价
 
公司基本资料信息
详细说明

3KB210-08,3KB220-08,3KB230-08,3KB240-08,3KB250-08,3KB210-08-B,先导式五通电磁阀

3KB220-08-B,3KB230-08-B,3KB240-08-B,3KB250-08-B,3KB210-08-L,3KB220-08-L,3KB230-08-L,
3KB240-08-L,3KB250-08-L,3KB210-08-C,3KB220-08-C,3KB230-08-C,3KB240-08-C,3KB250-08-C, 

更多>本企业其它产品
0相关评论