手机版
二维码
欢迎访问昌林自动化官方网站!
了解产品
品牌站
搜索
首页
了解产品
资讯动态
品牌站
下载中心
首页
>
了解产品
>
气动器材 气动阀
>
控制元件
>
单向/节流阀
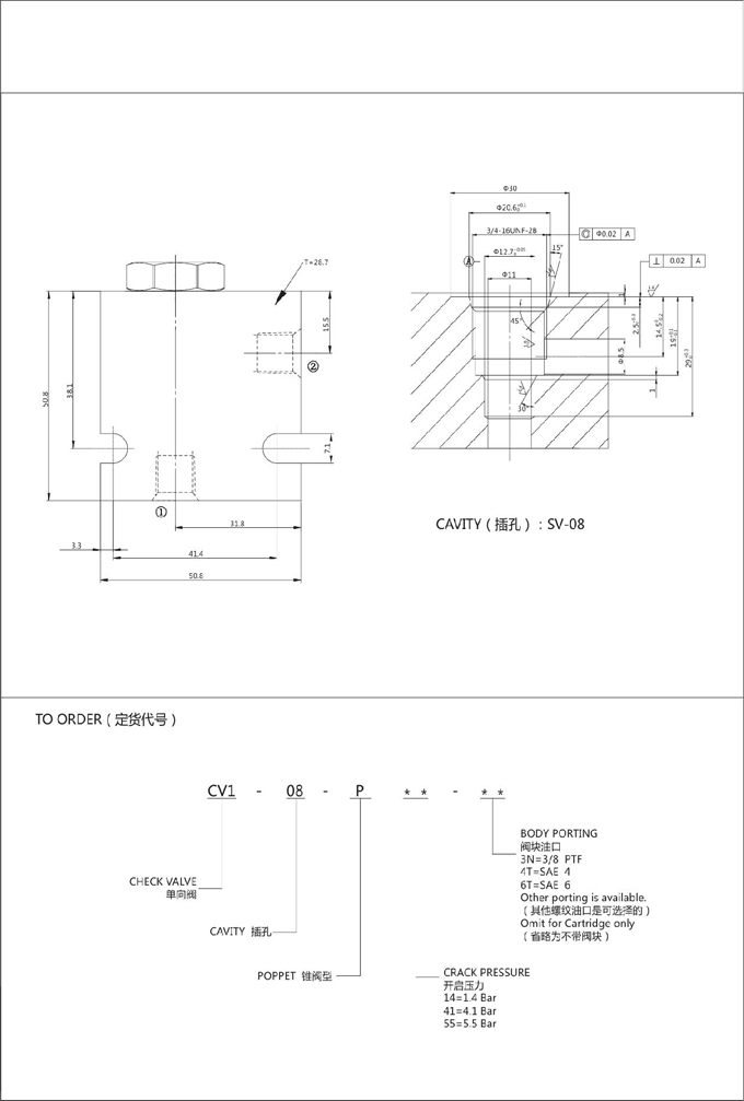
CV1-08-P-14,CV1-08-P-41,CV1-08-P-55,单向阀
点击图片查看原图
型号:
CV1-08-P-14,CV1-08-P-41,CV1-08-P-55,
PDF下载:
如需产品详细说明请与销售客服联系
浏览次数:
329
公司基本资料信息
联系人
销售员1489(女士)
电话
13861877712
地区
江苏-无锡市
地址
无锡市会北路28-135
详细说明
CV1-08-P-14,CV1-08-P-41,CV1-08-P-55,单向阀
更多
>
本企业其它产品
液压管路防爆阀 CMFVU
SV2-08-2NCS,二位二通
SV-16-2NCP,二位二通
SV-12-2NCP,二位二通
SV-10-2NCP,二位二通
SV3-08-2NOP,二位二通
SV-08-2NCP,二位二通
SV5-12-2NCP,二位二通
0
条
相关评论