手机版
二维码
欢迎访问昌林自动化官方网站!
了解产品
品牌站
搜索
首页
了解产品
资讯动态
品牌站
下载中心
首页
>
了解产品
>
气动器材 气动阀
>
控制元件
>
单向/节流阀
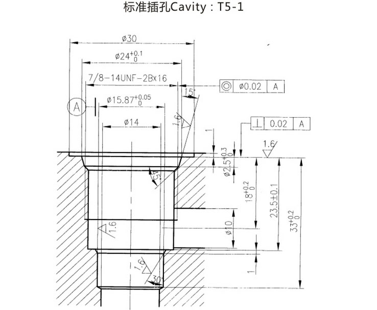
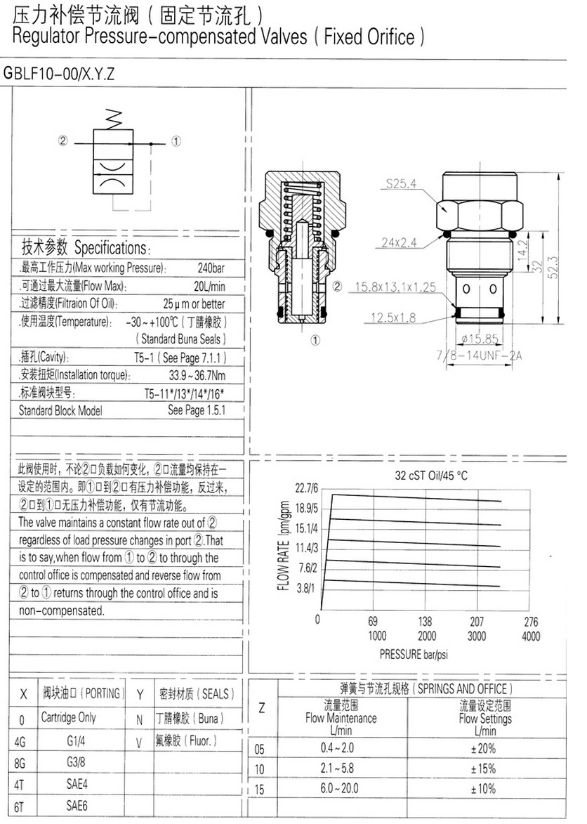
GBLF10-00,压力补偿节流阀
点击图片查看原图
型号:
GBLF10-00
PDF下载:
如需产品详细说明请与销售客服联系
浏览次数:
409
公司基本资料信息
联系人
销售员 1487(先生)
电话
13861877712
地区
江苏-无锡市
地址
无锡市会北路28-135
详细说明
GBLF10-00,压力补偿节流阀
更多
>
本企业其它产品
GDHF08-220,二位二通
GDHF08-200C,二位二通
GDHF08-220H,二位二通
GDHF08-221,二位二通
GDHF08-222,二位二通
GDHF08-225,二位二通
GDHF08-228L,二位二通
GDHF10-220,二位二通
0
条
相关评论